Monolithic Power Systems (MPS) MPQ4214 40V Synchronous Buck-Boost Controllers
Monolithic Power Systems (MPS) MPQ4214 40V Synchronous Buck-Boost Controllers feature a wide input voltage range, high efficiency, and I2C interface. The MPS MPQ4214 controllers have programmable features like output voltage, slew rate, and constant output current limit. Ideal for USB Type-C™ power supplies, the devices utilize valley current control in buck mode and peak current control in boost mode, ensuring quick load responses and smooth transitions between modes. With forced continuous conduction mode (FCCM) and a programmable average current limit, the devices accommodate flexible designs for various applications.Features
- 6V to 40V start-up input voltage range
- 5V to 40V operation input voltage range
- Flexible reference voltage selection
- MPQ4214GU programmable VREF voltage
- MPQ4214GU-12 1.2V fixed VREF voltage
- MPQ4214 flexible I2C interface control for
- 0.5V to 36V output voltage range
- 0.3V to 2.047V reference voltage range with 1mV steps
- Selectable VOUT slew rate
- 0.6A step programmable output constant current limit
- <50mA step output current limit adjusting through IPWM pin
- Frequency dithering function for EMI optimization
- Integrated VOUT discharge function
- Selectable 200kHz, 300kHz, 400kHz, and 600kHz switching frequency
- OCP, SCP, and OVP
- Output enters high-impedance state during EN shutdown
- Interrupt indicator for CC, OCP, OVP, and OTP
- Available in a QFN-27 (5mm x 5mm) package
- Available in AEC-Q100 Grade 1
Applications
- USB power delivery
- Industrial PC power supplies
- Wireless charging
- High-power LED drivers
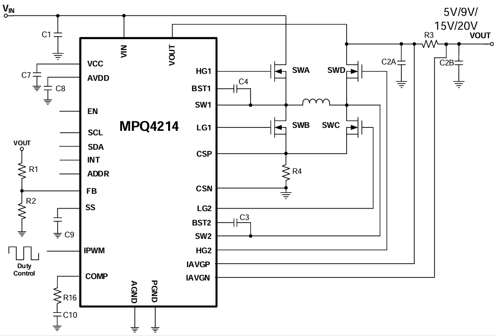
TYPICAL APPLICATION
Videos
发布日期: 2024-02-16
| 更新日期: 2024-03-14
