规范
- 电流消耗
- MRSS29DR-001传感器:1mA
- MRSS29E传感器最大额定电流:1.5µA
- 工作温度范围
- MRSS29DR-001传感器:-40°C至+80°C
- MRSS29E传感器:-40°C至+85°C
- 额定电源电压范围:3.5V至30V
- 低电平输出电压:0.3V至0.5V
- 高电平输出电压:11V至11.4V
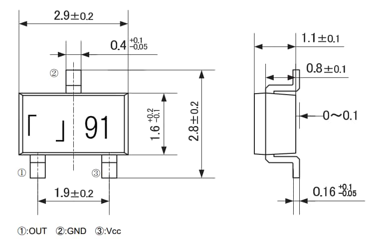
MRSS29DR-001的尺寸和示意图
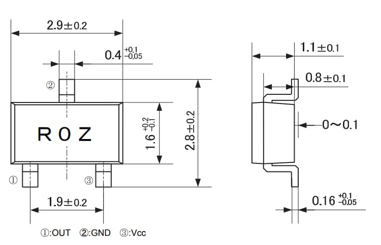
MRSS29E的尺寸和示意图
发布日期: 2021-03-18
| 更新日期: 2022-03-11

