特性
- UL 60950 recognition pending
- 4:1 wide range voltage input
- Operating temperature range of -40°C to +85°C
- Typical load regulation from 0.05%
- 1.5kVDC isolation
- 3.3V, 5V, 12V, and 15V outputs
- UL 94V-0 package materials
- No electrolytic capacitors
- Thermal shutdown
- Undervoltage lock out
- Current fold back
应用
- Telecommunications
- Battery powered systems
- Process control
- Distributed power systems
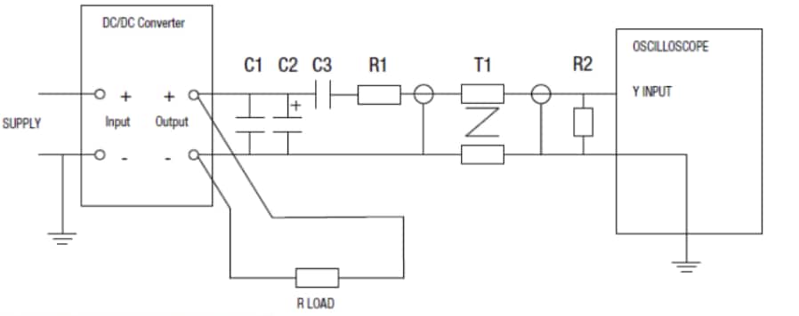
Differential Mode Noise Test Schematic
发布日期: 2013-10-22
| 更新日期: 2022-03-11

