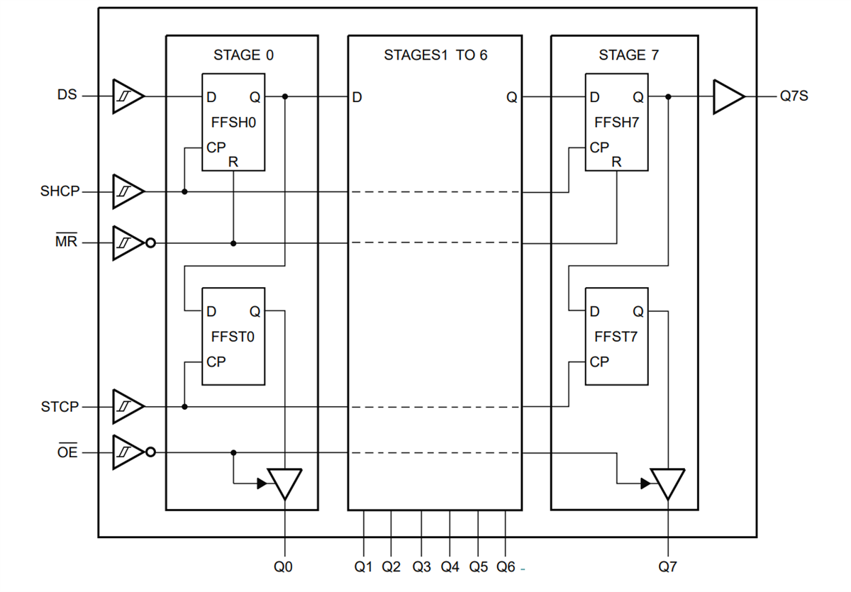
如果两个时钟连接起来,移位寄存器将始终比存储寄存器提前一个时钟脉冲。每当输出使能输入(OE)为低电平时,存储寄存器中的数据就会在输出端实现。OE上的高电平会导致输出呈现高阻抗关断状态,并且OE输入的操作不会影响寄存器的状态。输入包括钳位二极管,允许使用限流电阻器将输入连接到电压超过VCC 的电压。所有输入均为施密特触发输入,能够将缓慢变化的输入信号转换为定义清晰、无抖动的输出信号。
Nexperia 74HCS595-Q100 8位移位寄存器符合AEC-Q100等级1的要求,并且指定范围为-40°C到+85°C和-40°C到+125°C。
特性
- 符合AEC-Q100等级1的汽车产品资格(74HCS595-Q100)
- 指定温度范围:-40 °C至+85 °C和-40 °C至+125 °C
- 从 2.0 V 到 6.0 V 的宽电源电压范围
- 施密特触发器输入
- 低功率功耗
- 典型供电电流(ICC)为100nA
- 典型输入漏电流(II)为±10nA
- 6V时输出驱动为±7.8mA
- 8位串行输入和8位串行或并行输出
- 存储寄存器具有三态输出
- 移位寄存器,带直接清零功能
- 锁闭性能超过100mA,符合JESD 78 II类B级的要求
- 符合JEDEC JESD7A标准(2.0V至6.0V)
- ESD保护:
- HBM ANSI/ESDA/JEDEC JS-001 3A级超过4000V
- CDM ANSI/ESDA/JEDEC JS-002 C3级超过1500V
- 多种封装选择
应用
- 串行到并行数据转换
- 远程控制保持寄存器
- 输出扩展
- LED矩阵控制
- 7段式显示器控制
- 8位数据存储
方框图
发布日期: 2025-06-20
| 更新日期: 2025-07-15

