特性
- 宽电源电压范围:
- VCC(A):1.1V至5.5V
- VCC(B):1.1V至5.5V
- 高抗噪性
- 符合JEDEC标准:
- JESD8-12A(1.1V至1.3V)
- JESD8-11A(1.4V至1.6V)
- JESD8-7(1.65V至1.95V)
- JESD8-5(2.3V至2.7V)
- JESD8C(3.0V至3.6V)
- JESD12-6(4.5V至5.5V)
- ESD保护:
- HBM ANSI/ESDA/JEDEC JS-001 3A类超过4000V
- CDM JESD22-C101E超过1000V
- 暂停模式
- 闭锁性能超过100mA,符合JESD 78 II类标准
- ±24mA输出驱动 (VCC(A) = VCC(B) = 3.0V)
- 输入接受电压高达5.5V
- IOFF电路提供局部掉电工作模式
- 多种封装选择
- 工作温度范围:-40°C到+85°C及-40°C到+125°C
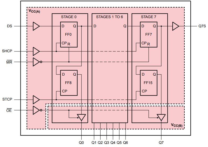
逻辑图
其他资源
发布日期: 2018-05-08
| 更新日期: 2023-03-15

