特性
- 通过汽车应用类AEC-Q100认证,标定温度在-40°C至+125°C范围
- 支持功能安全
- 12通道精密高侧电流输出:
- VBAT :4.5V至36V;VS :3.8V至36V
- 每通道电流:高达100 mA
- 2位全局、6位独立电流设置
- 从18mA到100mA,电流精度在±5%以内
- 低电压降:在100mA下为600mV
- 12位独立PWM调光
- 可编程PWM频率:50Hz至23.4kHz
- 线性调光和指数调光方法
- 集成UART接口
- 数据速率高达2Mb/s
- 支持UART数据格式
- 支持通过电阻器设置27个从地址
- HTSSOP24 (SOT8083-1) 热增强型薄型缩小外形封装,24引线、7.8mm x 4.4mm x 1.2mm主体尺寸
- 诊断和保护
- 可编程故障安全状态
- LED开路检测
- LED短路检测
- 单LED短路诊断
- 可编程低VS 检测
- 用于故障指示的开漏FLT引脚
- 针对数据线的看门狗和循环冗余校验 (CRC)
- MTP ECC校验
- 用于引脚电压测量的8位ADC
- 过热保护
- ESD保护
- HBM超过2000V,符合ANSI/ESDA/JEDEC JS-001 2类
- CDM超过500V,符合ANSI/ESDA/JEDEC JS-002 C2a类标准
应用
- 汽车外部尾灯
- 汽车外部前灯
视频
典型应用电路
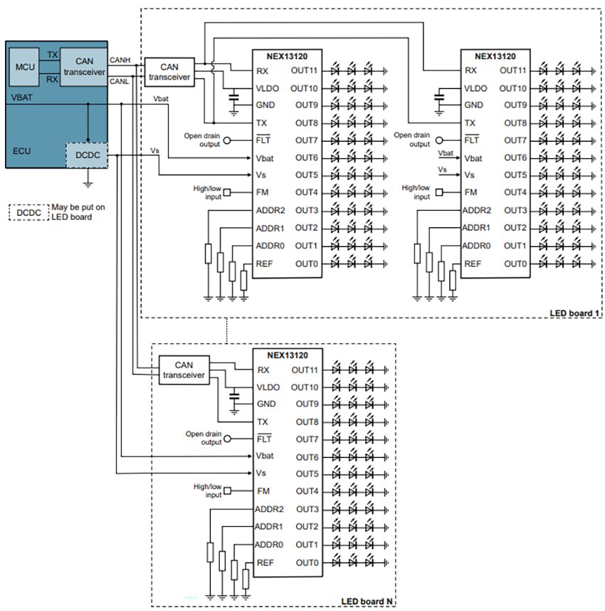
应用框图
发布日期: 2025-04-07
| 更新日期: 2025-08-10

