Nexperia NXB0104 AutoSense转换收发器
Nexperia NXB0104 AutoSense双电源转换收发器具有自动方向检测功能,可实现双向电压电平转换。这些收发器包括两个4位输入输出端口(An和Bn)、一个输出使能输入 (OE) 和两个电源引脚(VCC(A) 和VCC(B))。VCC(A) 可以是1.2V和3.6V之间的任何电压。VCC(B) 可以是1.65V和5.5V之间的任何电压。得益于以上特性,该器件适用于任何低压节点(1.2V、1.5V、1.8V、2.5V、3.3V和5.0V)之间的转换。该器件非常适合用于使用IOFF的局部掉电应用。NXB0104-Q100符合汽车电子设备委员会 (Automotive Electronics Council) 标准Q100(1级),适用于汽车应用。The Nexperia NXB0104-Q100 has qualified for the Automotive Electronics Council (AEC) standard Q100 (Grade 1) and is suitable for automotive applications.
特性
- 宽电源电压范围:
- VCC(A):1.2V至3.6V和VCC(B):1.65V至5.5V
- IOFF电路提供局部掉电工作模式
- 输入接受电压高达5.5V
- ESD保护:
- HBM:ANSI/ESDA/Jedec JS-001 2类超过2.5kV(A端口)
- HBM:ANSI/ESDA/Jedec JS-001 3B类超过15kV(B端口)
- CDM:ANSI/ESDA/Jedec JS-002 C3类超过1.5kV
- 闭锁性能超过100mA,符合JESD 78B II类标准
- NXB0104-Q100
- ESD保护:
- MIL-STD-883方法3015 2类超过2.5kV(A端口)
- MIL-STD-883方法3015 3B类超过15kV(B端口)
- 符合AEC-Q100(1级)汽车产品标准
- 工作温度范围:-40°C至+85°C及-40°C至+125°C
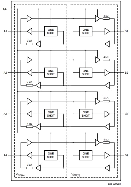
框图
发布日期: 2019-12-04
| 更新日期: 2023-05-05
