Nisshinbo NT1189 3.3GHz to 5GHz High Linearity LNA
Nisshinbo NT1189 3.3GHz to 5GHz High Linearity Low Noise Amplifier (LNA) is an LNA for 5G (Sub-6GHz) base stations. This low-noise amplifier helps improve receiver sensitivity with low distortion, high gain, and low Noise Figure (NF) characteristics. By changing the external circuitry, the NT1189 LNA achieves a wide bandwidth of 3.3GHz to 5GHz. This LNA comes with a small and thin package that reduces the mounting area in base stations. The construction of high-speed, high-capacity 5G networks is essential for deploying DX (Digital Transformation), which supports the current information-centric society. Typical applications include local 5G, 5G base stations (macrocell and small cell), Distributed Antenna Systems (DAS), and Customer Premises Equipment (CPE).Features
- 3.3GHz to 5.0GHz frequency range (n77, n78, and n79 band)
- High gain
- Low noise figure
Specifications
- 3.3GHz to 5GHz frequency range
- 3.3V to 5.5V (5V typical) supply voltage range
- 50mA typical operating current
- Gain:
- 26dB typical @n77, n78
- 21dB typical @ n79
- NF:
- 0.48 dB typical @ n77, n78
- 0.63 dB typical @ n79
- P-1dB (Out):
- +19 dBm typical @ n77, n78
- +19 dBm typical @ n79
- OIP3:
- +37 dBm typical @ n77, n78
- +37 dBm typical @ n79
- RoHS-compliant
- Halogen-free and MSL1
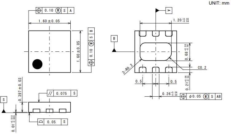
- DFN1616-6-GD (L1.6mm x W1.6mm x H0.397mm) package
Applications
- Local 5G
- 5G base stations (macrocell and small cell) and CPE
- DAS
Videos
Block Diagram
Application Circuit Diagram
Dimensions
发布日期: 2023-01-22
| 更新日期: 2024-01-31
