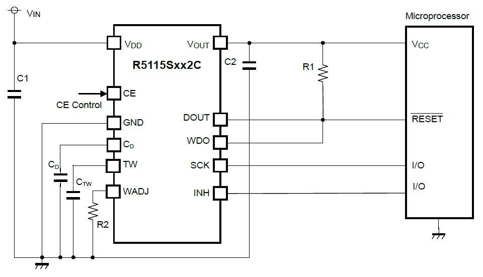
Nisshinbo R5115 System Power Supply ICs
Nisshinbo R5115 System Power Supply ICs are ultralow-power window-type watchdog timers (VR + VD + WDT). The ICs have an input voltage range of 3.5V to 42V and consist of a voltage regulator, a voltage detector, and a watchdog timer. The devices are equipped with an auto-monitoring stop (1) to cease the watchdog timer monitoring at light load.Features
- 3.5V to 42.0V (50.0V) Input voltage range (absolute maximum rating)
- 8.5μA Typ Supply current
- 3.3V to 5.0V Output voltage range
- ±1.6% (-40°C ≤ Ta ≤ 125°C) Output voltage accuracy
- Thermal shutdown, output current limiting, short-circuit current limiting protections
- 250mA Output current
- 2.5V to 4.8V Detection voltage threshold range
- ±1.6% (-40°C ≤ Ta ≤ 125°C) Detection voltage accuracy
- ±25% (-40°C ≤ Ta ≤ 125°C) Watchdog timer accuracy
Applications
- Microprocessor-based electronic equipment for automotive applications
- Electric Vehicle (EV) inverters and charge controllers
Typical Applications
发布日期: 2017-09-20
| 更新日期: 2022-03-11
