特性
- 工作电压范围:+2.7V至+14V,±1.35V至±7V
- 典型噪声:f=1kHz时2.1nV/√Hz,0.3μVrms(20Hz至20kHz)
- 典型输出电流:32mA (可驱动600Ω负载)
- 典型带宽带宽10MHz
- 典型失真率0.0009%(V+=+5V,Vo=1.3Vrms)
- 典型压摆率1V/μs
- 双极型技术
- 工作温度范围-40°C至+125°C
应用
- 家庭音响
- 电脑音频
- 便携式音频
- 车载音响
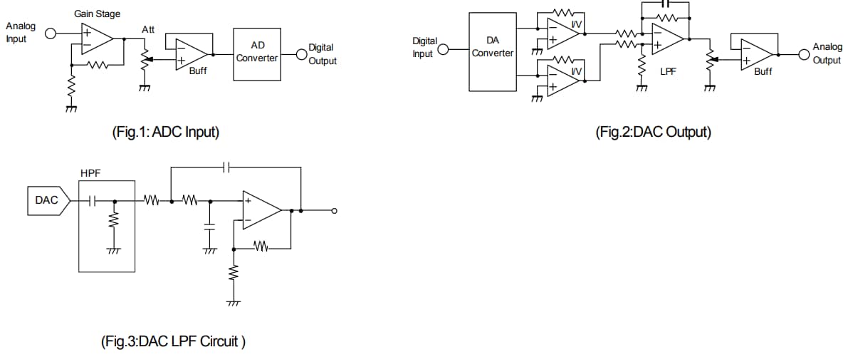
应用电路
发布日期: 2014-12-09
| 更新日期: 2022-03-11

