NXP Semiconductors GD3000三相无刷电机预驱动器
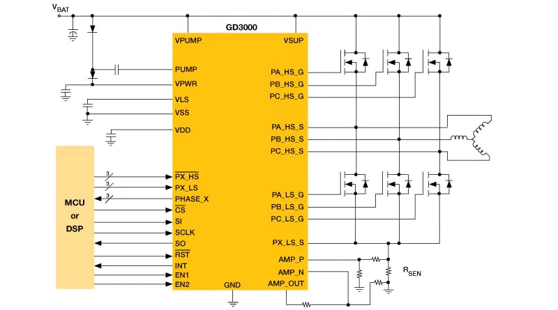
NXP Semiconductors GD3000三相无刷电机预驱动器是用于三相电机驱动应用的 高效栅极驱动器IC。NXP Semiconductors GD3000具有三个半桥驱动器,每个驱动器均可驱动两个N沟道MOSFET。该前置驱动器的峰值电流能力为1 A至2.5 A,由单电源供电,具有6 V至60 V宽广范围,并且具有75 V瞬态保护功能。GD3000采用带涓流充电电路的自举栅极驱动器架构,支持100%占空比。此外,它还采用可编程串扰保护,以防止高侧或低侧MOSFET开关期间的电流流动。两个MOSFET的集成VDS检测功能可保护外部功率级免受过流情况的影响。其包含一个电流分流放大器,可实现精确的电流测量,用于相位误差检测。特性
- 额定范围为8V至40V,涵盖12V和24V汽车系统
- 宽广的工作电压范围:6 V至60 V,涵盖12 V和42 V系统
- 包括一个电荷泵,可在低电池电压下支持全FET驱动
- 通过安全SPI命令启用同步输出功能
- 温度范围
- -40 °C 至 +125 °C
- -20 °C 至 +105 °C
- 宽广死区时间范围(50 ns至12μs),可通过SPI端口进行编程
- 外部FET栅极驱动能力:> 1A,带保护功能
- 器件保护壳防止外部FET的CGD和CGS反向电荷注入
- 集成过流、去饱和和相位故障检测
- 抑制栅极驱动器上的正或负瞬态电压尖峰
- 死区时间控制内置电流击穿保护
- 支持直接连接MCU的3.3 V和5 V逻辑接口
- 集成电流检测放大器
- 通过SPI进行器件配置和诊断
- 并行和SPI接口以及输入控制器
应用
- 制动和稳定性控制
- 柴油发动机管理
- 电动助力转向系统(EPS)
方框图
发布日期: 2024-01-22
| 更新日期: 2024-03-29
