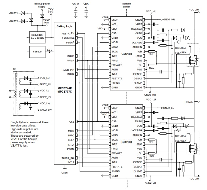
NXP Semiconductors GD3160高级栅极驱动器可通过高性能开关、低动态导通电阻和轨到轨栅极电压控制直接驱动SiC MOSFET和IGBT栅极。
GD3160自主管理故障,通过INTA和INTB引脚以及SPI接口报告电源器件和栅极驱动器状态。GD3160包括自检、控制和保护功能,用于设计高可靠性系统 (ASIL C/D),符合汽车应用的严格要求,完全符合AEC-Q100 1级标准。
特性
- 集成电流信号隔离(高达8kV)
- 集成了15A拉/灌电流的大栅极电流
- SPI接口,用于安全监控、配置与诊断报告
- 支持高达100kHz PWM的高开关频率
- 来自LV和HV域的故障安全状态管理,用于用户可选的安全状态
- 可编程栅极稳压器,具有扩展范围
- 温度检测与NTC和PTC热敏电阻兼容
- 可配置去饱和和电流检测,优化用于保护SiC和IGBT
- 集成软关断、两级关断,优化用于满足SiC的独特栅极驱动要求
- 通过INTA引脚进行实时VCE和VGE监控
- 集成ADC,用于监控HV域的参数
- CMTI:>100V/ns
- 兼容200 V至1700 V IGBT/SiC,功率范围>125 kW
- 工作温度范围:− 40°C至125°C
- 外部爬电距离 (CPG):>7.8 mm
- 有3.3V或5.0V I/O逻辑接口型号可供选择
- 小封装尺寸 (8mm x 13mm) 32引脚SOIC
- 安全和法规批准
- 符合DIN V VDE V 0884-10标准的加强型绝缘
- 耐受UL 1577标准规定的5000V rms(1分钟)隔离
- CSA元件认可通知5A
- 符合AEC-Q100 1级汽车标准
简化应用图
发布日期: 2022-06-01
| 更新日期: 2024-06-10
