NXP Semiconductors i.MX RT1180交叉微控制器(MCU)
NXP Semiconductors i.MX RT1180交叉微控制器 (MCU) 集成有运行频率高达800MHz的高性能Arm® Cortex®-M7内核,以及运行频率高达300MHz的高效能Cortex-M33内核。恩智浦i.MX RT1180具有工业网关功能,可支持工业实时协议(Profinet、EtherCAT、EtherNet/IP等)。此系列MCU还通过最先进的以太网交换机子系统和受ECC保护的大型1.5MB片上RAM支持基于TSN的协议。这些组件设计涵盖工业自动化、楼宇自动化、能量或物联网 (IoT) 等各个领域。i.MX RT1180 MCU采用集成式高级电源管理模块,配备直流-直流和低压差 (LDO) 稳压器,从而降低外部电源的复杂性。高级电源管理模块还简化了电源排序以及大型子系统,支持各种应用,包括存储器接口、连接接口 (CAN-FD、LPUART、LPSPI、LPI2C、FlexIO)。
NXP i.MX RT1180器件集成了多种安全功能,包括先进的安全区域子系统、物理不可克隆功能 (PUF)、动态AES解密 (OTFAD)、可信资源域控制器 (TRDC)、 电池支持安全模块 (BBSM) 和在线加密引擎 (IEE)。
特性
- Arm Cortex-M7 (800MHz) 和Arm Cortex-M33(高达300MHz)- 可选单核Arm Cortex-M33
- 软件和工具
- MCUXpresso Developer Experience
- IDE选项选择
- 引脚、时钟、外设、安全和内存配置工具
- 安全编程和配置工具
- 软件开发套件 (SDK)
- 支持Zephyr 实时操作系统
- 支持工业协议
- MCUXpresso Developer Experience
- 组网
- 首款集成Gbps时间敏感网络 (TSN) 开关的实时微控制器 (MCU),支持多种协议,在现有系统和工业4.0之间架起通信桥梁
- 实时工业以太网协议,例如Profinet、以太网/IP、EtherCAT、CC-Link IE Field、HSR等
- 符合IEC 60802的最新TSN标准,适用于工业自动化
- 基于TSN的协议,例如OPC UA Pub-Sub、TSN上的Profinet和CC-Link IE TSN
- 高达5Gbps端口,包括TSN开关上的4个端口(2层)和TSN端点控制器上的1个端口
- 具有高级流量控制功能的L2管理,包括端口计数器、滤波器等
- 首款集成Gbps时间敏感网络 (TSN) 开关的实时微控制器 (MCU),支持多种协议,在现有系统和工业4.0之间架起通信桥梁
- 先进安全性
- 集成有EdgeLock®Secure Enclave的交叉MCU - 预配置、自我管理、自主安全子系统,降低为联网工业IoT应用实施强大、全系统安全性的复杂性
- 为IEC 62443系统合规性提供组件级基础
- 具有安全启动、安全密钥机制和高性能加密的复杂联网系统中的可信根要求
- 具有安全RTC和10个防篡改引脚的系统级物理防篡改监控
- Arm Cortex-M7的SRAM高达1.5MB(ECC保护),TCM为512KB,Arm Cortex-M33的TCM为256KB
- 模拟
- 高速16位模数转换器
- 高级定时器/PWM和Δ-Σ解调器
- 扩展工业温度范围:-40 °C至+125 °C
- 封装选项
- 289 MAPBGA,14mm x 14mm,间距为0.8mm
- 144 MAPBGA,10mm x 10mm,间距为0.8mm
应用
- 楼宇和工厂自动化
- 工业自动化
- 医疗保健
- 工业网格
- 运动控制和机器人
- 电机驱动器
- 可编程逻辑控制器和远程I/O
- IoT
视频
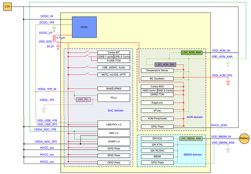
方框图
Power Architecture
发布日期: 2025-09-30
| 更新日期: 2026-03-25
