NXP Semiconductors MC33775A 14节电池控制器IC
NXP Semiconductors MC33775A 14节电池控制器IC是一款设计旨在测量差分高精度电池电压和温度的锂离子电池IC。这些IC具有广泛的无源电池电压平衡功能,可均衡整个电池组中的各个电池电压。MC33775A IC支持每器件4至14节电池、输入电压为±5V的母线以及集成的可配置数字滤波器。这些IC具有I2C总线主接口(用于控制外部设备)、可配置警报输出以及循环唤醒(用于在睡眠和平衡期间监控电池组)。MC33775A IC支持ISO 26262 ASIL D,用于电池电压、模块电压和温度测量。典型应用包括混合动力汽车(HEV)、电动汽车(EV)、储能系统(ESS)和不间断电源(UPS)系统。MC33775A IC包括多种运行模式,如工作模式、睡眠模式、循环模式和深度睡眠模式。这些电池控制器IC设有串行外设接口 (SPI) 和隔离菊花链接口,可与主机MCU通信。MC33775A IC具有更高的安全等级和较少的物料清单。
特性
- 电池电压测量:
- 每个器件4至14节电池
- 支持具有±5V输入电压的母线
- 16位分辨率和±1mV典型测量精度,具有超低长期漂移
- 120μs电池电压测量同步
- 集成可配置数字滤波器
- 外部温度和辅助电压测量:
- 八个模拟输入
- 5V输入范围,可配置为绝对值或比例值
- 16位分辨率和±5mV典型测量精度
- 集成可配置数字滤波器
- 模块电压测量
- 9.6 V 到 65 V 的输入范围
- 16位分辨率和0.3%测量精度
- 集成可配置数字滤波器
- 内部测量:
- 两个冗余内部温度传感器
- 电源电压
- 外部晶体管电流
- 电池电压平衡:
- 14个内部平衡场效应晶体管(FET),每通道高达300mA(最大值)
- 所有通道同时无源平衡
- 全局平衡超时定时器
- 定时器控制平衡,带独立定时器,分辨率为10s,持续时间长达45小时
- 电压控制平衡,具有两个阈值,可停止受影响电池或停止所有平衡
- 温度控制平衡;如果平衡电阻器处于过热状态,则平衡中断
- 脉宽调制 (PWM) 控制平衡
- 平衡测量期间自动暂停
- 全局预平衡延迟
- 电池组自动放电(紧急放电)
- I2C总线主接口,用于控制外部设备,如EEPROM和安全IC
- 可配置警报输出
- 循环唤醒,在睡眠和平衡期间监控电池组
- 主机接口,支持SPI或变压器物理层3 (TPL3):
- TPL3接口的2Mbit数据速率
- 4Mbit数据速率,用于SPI
- TPL3通信支持:
- 双线菊花链,具有电容和电感隔离
- 每个链支持多达6个菊花链和62个节点的协议
- 唯一设备ID
- 运行模式:
- 工作模式
- 睡眠模式
- 循环模式
- 深度睡眠模式
- 符合AEC-Q100 1级标准
- 环境温度范围:-40 °C至125 °C
- ISO 26262 ASIL D支持电池电压、模块电压和温度测量
应用
- 汽车:
- 混合动力汽车 (HEV)
- 电动汽车 (EV)
- 工业:
- 储能系统 (ESS)
- 不间断电源 (UPS) 系统
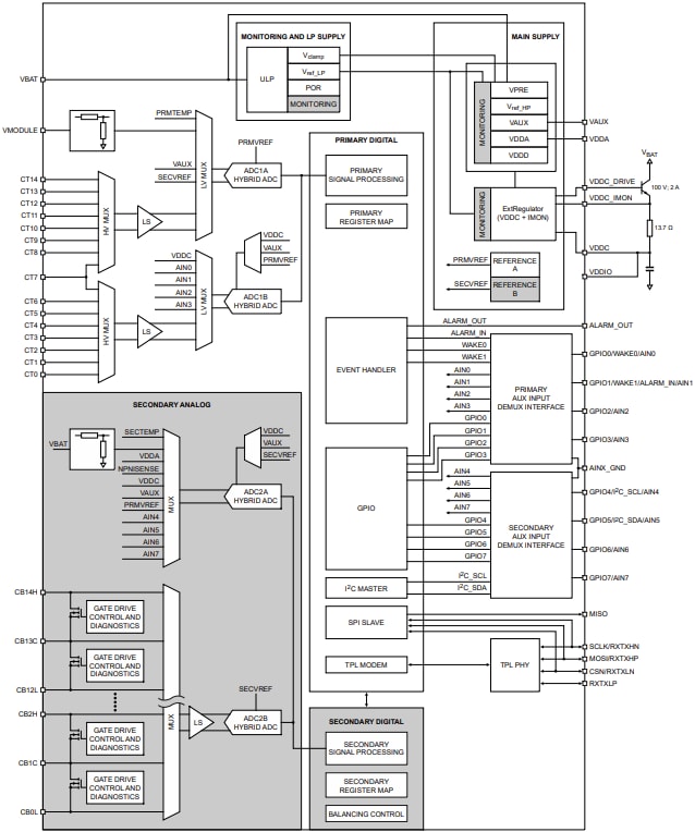
框图
发布日期: 2024-08-14
| 更新日期: 2024-09-10
