特性
- 通过内部恒定关断时间PWM实现过流限制(调节)
- 输出短路保护(VPWR短路或接地短路)
- 温度相关电流限制阈值降低
- 所有输入均具有内部拉电流/灌电流,用于定义默认(浮动输入)状态
- 符合AEC-Q100 1级标准
应用
- 电子节气门控制
- 废气再循环
- 涡轮挡板控制
- 工业和医用泵及电机控制
规范
- 工作电压范围:5 V至28 V
- 最大RDS (on) :225mΩ
- 工作温度范围:-40 °C至125 °C
- 20kHz PWM频率
- 阈值电流限制:5 A
框图
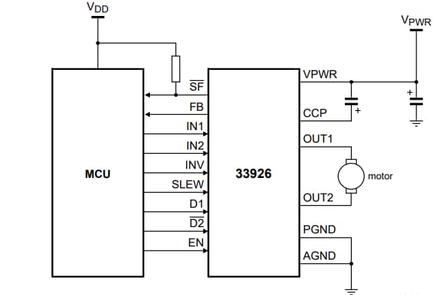
应用电路图
发布日期: 2020-06-09
| 更新日期: 2024-10-17
