NXP Semiconductors MC33GD3100高级IGBT/SiC栅极驱动器
NXP Semiconductors MC33GD3100高级IGBT/SiC栅极驱动器是单通道栅极驱动器,用于绝缘栅极双极晶体管 (IGBT) 和碳化硅 (SiC) 功率器件。 NXP MC33GD3100栅极驱动器具有高级功能安全、控制和保护特性,因此非常适合用于汽车和电动汽车传动系应用(完全符合AEC-Q100 1级标准)。集成的电流隔离和低导通电阻驱动晶体管实现高充电和放电电流、低动态饱和电压以及轨到轨栅极电压控制。 电流和温度检测可最大限度地降低故障期间的IGBT应力。精确、可配置的欠压闭锁 (UVLO) 提供保护,同时确保足够的栅极驱动电压裕量。MC33GD3100自主管理严重故障,并通过INTB引脚和SPI接口报告故障和状态 。它能够直接驱动大多数IGBT 和SiC MOSFET的栅极。该器件 具有自检、控制和保护功能,用于设计高可靠性系统 (ASIL C/D)。
特性
- SPI接口,用于安全监控、可编程性和灵活性
- 低传播延迟和最小PWM失真
- 高达8kV集成电流信号隔离
- 集成栅极驱动功率级,能够实现15A峰值拉电流和灌电流
- 全可编程有源米勒钳位
- 兼容负栅极电源
- 兼容电流检测和温度检测IGBT
- 集成软关断、两级关断、有源钳位和分段驱动,用于波形整形
- >100V/ns CMTI
- 兼容200V至1700V IGBT/SiC,功率范围>125kW,外部爬电距离 (CPG):>7.8mm
- 工作频率:>40 kHz
- 可提供耐压为5.0V和3.3V的MCU接口
- 工作温度范围:-40°C至+125°C
- 封装类型:32引脚宽体SOIC
- 安全
- 符合ASIL D ISO26262功能安全要求,实现全面诊断
- 电流、DESAT和温度检测输入以及IGBT/SiC监控用ADC报告
- 快速短路保护、过流保护、温度警告和关断
- 中断引脚,用于快速响应故障
- 所有模拟和数字电路内置自检功能
- 芯片到芯片通信连续看门狗
- 死区时间执行
- 对低压/高压两侧的所有电源进行过压和欠压监控
- 低压/高压侧的故障安全状态管理引脚
- VGE实时逐周期监控
- 监管机构认证
- 增强型隔离,符合DIN V VDE V 0884-10标准
- 耐受UL 1577标准规定的2500VRMS(1分钟)隔离
- CSA元件认可通知5A
- 符合汽车类AEC-Q100 1级标准
应用
- 电池管理系统 (BMS)
- 电动汽车牵引逆变器
- 混合动力电动汽车 (HEV)
- 工业电机驱动器
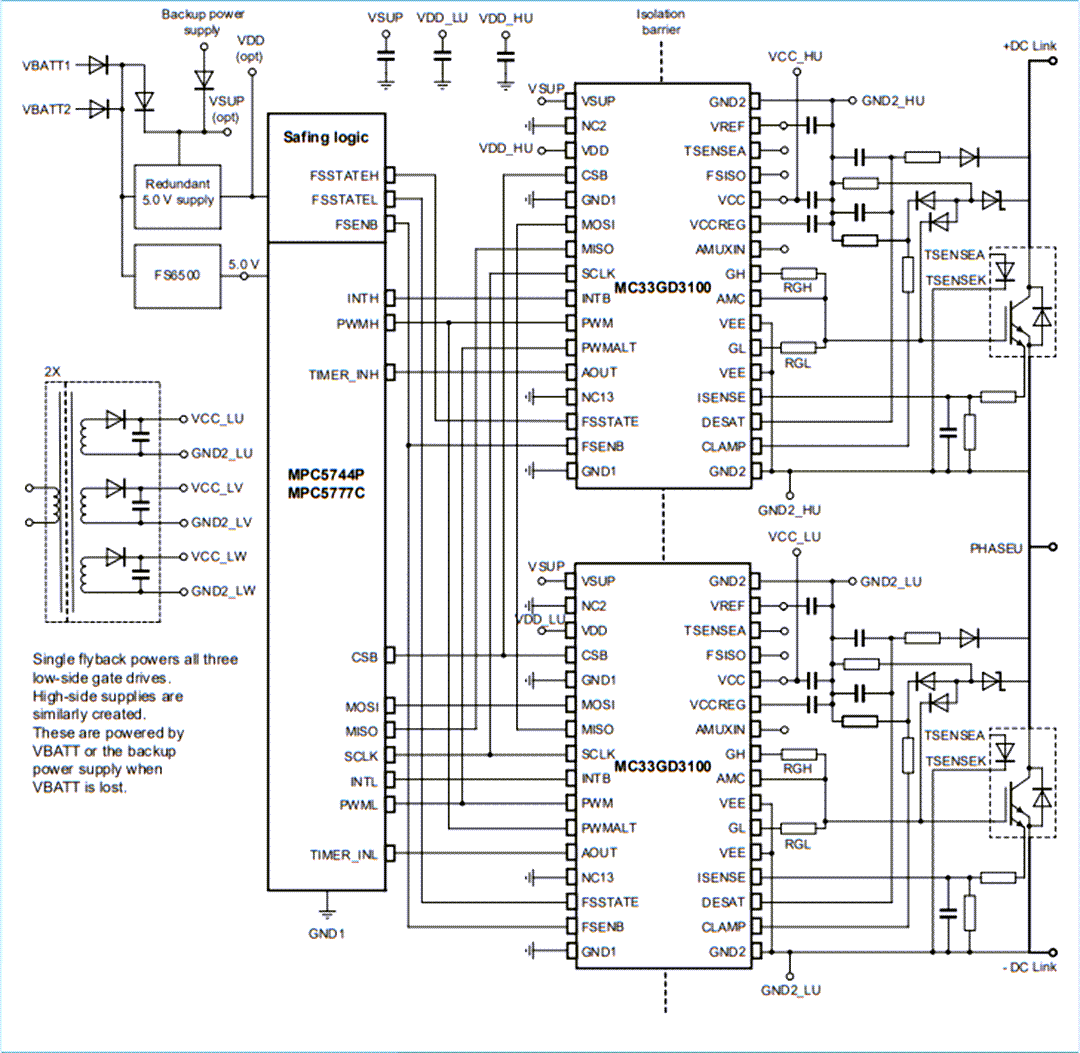
框图
典型应用电路
其他资源
发布日期: 2020-01-16
| 更新日期: 2024-10-30
