NXP Semiconductors NAFE11388-EVB评估板
NXP Semiconductors NAFE11388-EVB评估板旨在评估NAFE11388工业级8通道通用输入模拟前端 (AFE)。NXP AFE符合高精度测量要求。NXP N-AFE模拟前端支持软件定义 的工厂。除了工业4.0之外,当今的制造业正面临着被称为工业4.0的重大变革。市场需求(如产品变化加剧)正在改变生产。为了满足这些需求,需要重新配置生产线以加快运行速度,如此才可保持利润空间。智能工厂重新配置的能力是关键。N-AFE模拟前端(面向工厂自动化应用)可配置为不同输入,如电压、电流、电阻、RTD等,以启用软件定义的工厂。特性
- 多达8个软件可配置通道
- 电压、电流、RTD、热电偶
- ±0.15至±12.5范围,用于单端信号
- ±40V保护,防止接线错误
- 高精度
- 房间内系统精度:0.002%
- 整个温度范围内的系统精度:0.05%
- 系统级非线性度:10ppm(最大值)
- 高精度,180dB动态范围
- 17位ENOB(7µs/读数,用于单输入)
- 17位ENOB(36μs/读数,用于多输入)
- 1.0µVrms(2.25ksps时)
- 0.2µVrms(60sps和50sps时)
- 快速而灵活的数据采集
- 20µs/读数,用于多输入
- 快速且可配置的排序器,用于卸载EP
- 快速而灵活的读取模式
- 数字工厂校准和自校准
- 24位宽 x 48字深NVM,用于校准系数
- 用于系统自校准的内部源
- 高级保护与诊断
- 信号路径上的电源监控、UVLO、OVD
- 冗余电压基准和温度传感器
- BIST,用于完整的信号路径监控以及故障和老化预测
应用
- 制造过程中的工业4.0转型
- 传统生产中的产品差异增加
- 及时重新配置生产线以保持利润幅度
- 智能工厂和重新配置的能力
- 用于工厂自动化的N-AFE模拟前端
- 支持不同类型的输入(电压、电流、电阻、RTD)
- 软件定义工厂
- 提高精度和精度,从而提高产品质量
- 预防性维护,用于预先发现问题,避免停机
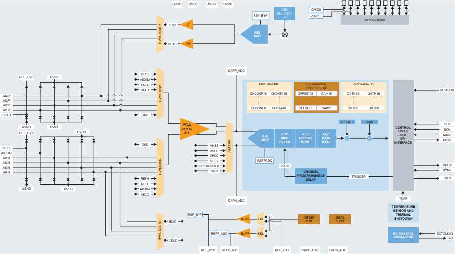
框图
发布日期: 2022-12-02
| 更新日期: 2023-01-16
