NXP Semiconductors P3A1604UK双电源转换收发器
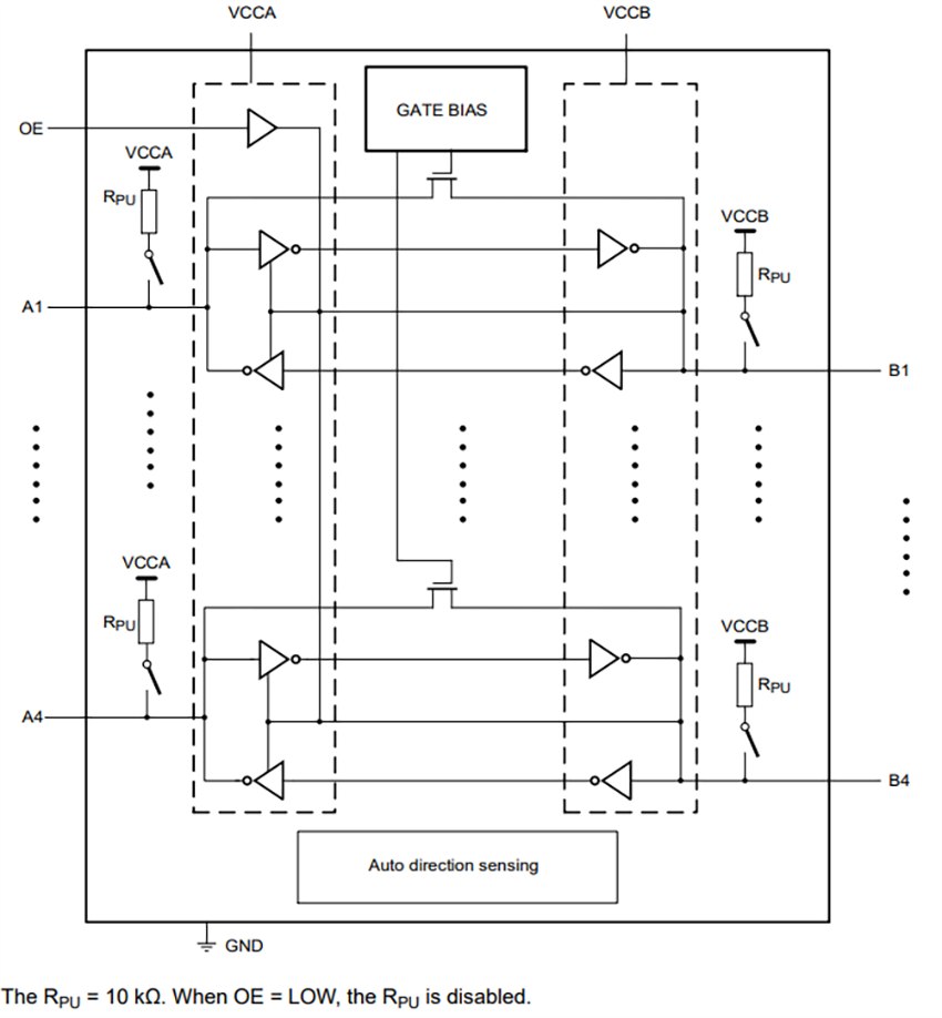
NXP Semiconductors P3A1604UK双电源转换收发器是一款多功能4位设备,设计用于双向电压电平转换,具有自动方向检测功能。NXP P3A1604UK IC支持宽电源电压范围,VCCA 从0.72V至1.98V,VCCB 从1.62V至3.63V,适用于不同电压节点之间的连接。P3A1604UK非常适合用于I3C、I2C、SMBus和SPI应用,在推挽模式下可提供40Mbps的最大数据速率。稳健的设计包括超过2000V (HBM) 和500V (CDM) 的ESD保护,并且该IC可在-40°C至+125°C温度范围内可靠工作。这款收发器非常适合用于移动、工业和消费电子应用,提供无缝集成和高效电压电平转换。特性
- 自动方向检测和双向电压电平转换
- 宽电源电压范围
- VCCA :0.72V至1.98V
- VCCB :1.62V至3.63V
- 无需电源排序
- 每位最大数据速率 (DDR)
- 开漏:6.8Mbit/s (3.4MHz)
- 推挽式:40Mbit/s (20MHz)
- 支持I3C、I2C、SMBus、SPI和UART接口
- 较长的单触发脉冲可驱动更大的容性负载,减少振铃和过冲
- A侧和OE输入接受高达1.98V的电压
- B侧输入接受高达3.63V的电压
- 静电放电 (ESD) 保护
- HBM超过2000V,符合JESD22-A114E 2类标准
- CDM超过500V,符合JESD22-C101E标准
- 100mA I/O闭锁电流,JESD 78
- WLCSP12 (SOT2063-4) 封装,尺寸为1.405mm x 1.055mm,脚距为0.35mm
- 工作温度范围:-40 °C至+125 °C
应用
- 移动设备
- I3C、I2C和SMBus
- SPI
- 服务器
规范
- 最大输入转换上升/下降率:10ns/V
- 最大输入漏电流:1 μA
- 最大断态输出电流范围:2μA至3μA
- 典型输入电容:2pF
- 典型I/O电容
- 7pF(A端口)
- 5.5pF(B端口)
- 最长启用时间:3μs
- 禁用时间范围:0.4μs至0.8μs
- 最大通道间输出时滞:0.3ns
- 数据速率范围:0.128Mbit/s至40Mbit/s
- 热阻
- 结温至环境:77.9°C/W
- 结温至顶部表征:9.3°C/W
框图
典型应用电路
架构
发布日期: 2025-04-21
| 更新日期: 2025-04-24
