PN5190具有高输出功率和接收器灵敏度,即使使用小型天线也能实现宽通信范围,从而在空间受限的设计中实现高性能。该器件具有宽温度范围,因此可在工业和户外环境中运行。强大的射频接口 和高达848kbit/s的数据速率进一步满足了eGov读卡器以及依赖快速设备间通信应用场合的需求。与ISO/IEC 15693器件配合使用时,PN5190前端提供高达212kbit/s的快速传感器读出或固件更新。
即使在外部干扰到射频领域的应用中,PN5190也具有出色的抗噪性。该器件采用先进的模拟电源设计,进一步降低了接收器信号干扰,接收器灵敏度为0.3mV rms。自适应接收器控制 (ARC) 调节接收器灵敏度,以提供更好的接收性能。
为简化设计,PN5190前端与所有FeliCa®和MIFARE®卡产品进行通信,并在硬件中实施加密,用于读取/写入所有基于MIFARE的卡。该器件已包含NXP ISO/IEC 14443-A、Innovatron ISO/IEC 14443-B和NXP MIFARE 产品的IP许可权。
NXP Semiconductors PN5190 NFC前端采用VFBGA-64和HVQFN-40封装,具有-40°C至+105°C的宽工作温度范围。
特性
- NFC Forum兼容NFC前端,支持所有相关56MHz射频协议,包括点对点和卡仿真模式
- 射频输出功率高达2W的发射器
- 自适应波形整形 (AWS) 和动态功率控制 (DPC) 2.0
- 具有高灵敏度、抗噪性和集成EMD处理能力的接收器
- 支持的射频框架尺寸高达1024字节,无需链接
- 非常适合用于NTAG® 5通信 (ISO/IEC 15693),支持高达212kbit/s数据速率
- 集成式低噪声直流-直流转换器,用于3V单电源,全射频输出功率
- SPI主机接口的速度高达15MHz
- 可提供超低功耗卡检测和多种节省电池的配置
- 通过可变电容器进行自动天线调谐 (AAT)
- 过流和过热保护
- 外部时钟输入为24MHz、32MHz和48MHz,用于访问管理应用
- 稳健的通信,适用于数据速率高达848kbit/s的eGov应用
- -40°C至+105°的宽工作温度范围
- 封装选项
- 4.5mm x 5.0mm VFBGA-64;0.5mm脚距
- 5.0mm x 5.0mm HVQFN 40;0.4mm脚距
- 端口式射频协议
- 读/写 模式
- ISO/IEC 14443型A&B R/W支持高达848kbit/s
- FeliCa读/写支持高达424kbit/s
- NFC Forum标签1、2、3、4、5类读卡器
- 针对读写的NFC论坛合规性——模拟和数字
- ISO/IEC 15693读卡器 (ICODE®)
- 专有数据速率基于ISO/IEC15693,为106kbit/s和212kbit/s,用于NTAG 5通信
- ISO/IEC 18000 EPC-HF读卡器 (ICODE ILT)
- 具有集成EMD处理能力的EMVCo 3.0 (L1)
- 点对点模式
- 无源和有源通信(启动器/目标)
- P2P支持类型:A (106kbit/s), F (212kbit/s, 424kbit/s)
- 适用A型的专有P2P模式,速率高达848kbit/s
- 卡仿真模式
- ISO/IEC 14443 Type-A主机卡仿真,带有源负载调制,通信距离更长
- 读/写 模式
应用
- POS和mPOS终端
- 物理访问控制
- 器件参数化
- 电子政务
视频
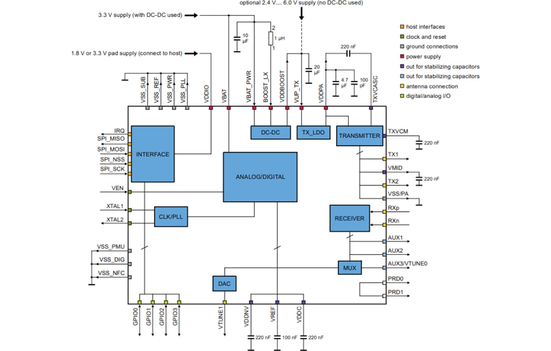
框图
发布日期: 2021-10-06
| 更新日期: 2022-03-11
