NXP Semiconductors QN9080-001-M17 Bluetooth®模块
NXP QN9080-001-M17 Bluetooth®模块是经过全面认证的模块,支持蓝牙低功耗 (BLE) 和NFC。这些蓝牙模块具有超低功耗、高度集成的丰富特性集,并完全通过FCC/CE/IC/MIC认证。QN9080-001-M17蓝牙模块基于由Arm® Cortex®-M4F提供支持的QN9080 MCU,并集成了专用的融合传感器协处理器 (FSP)。这些蓝牙模块还集成了NFC NTAG、32MHz、32.768kHz晶体、射频匹配以及2.4GHz天线。这样即可提供完整的即用型解决方案,适用于要求BLE无线连接和轻松与NFC NTAG配对的应用。QN9080-001-M17模块是基于QN9080芯片和NT3H2211芯片的超小型器件。应用包括健康和医疗设备、体育和健身追踪器、楼宇和家居自动化以及广告信标。特性
- 蓝牙低功耗无线电特性:
- RX灵敏度:92.7dB
- TX输出功率:20dBm至+2dBm
- 具有Bluetooth 5认证的LE 2M PHY,最多支持16个同步链路
- NTAG特性:
- 符合ISO/IEC 14443第2和3部分
- NTAG I2C+开发板被认证为NFC Forum Type 2标签(认证ID:58514)
- 内核和存储器:
- 32MHz Cortex–M4F内核 512KB闪存 128KB SRAM
- 32MHz融合传感器处理器 (FSP)
- 512KB闪存和128KB RAM
- 低功耗和工作电压范围:
- 3.5mA TX电流(0dBm Tx功率)
- 4.0mA RX电流
- 工作电压范围:1.67V至3.6V
- 数字和模拟外设:
- UART/SPI/I2C,高达2和1 USB 2.0全速
- 8通道16位Σ△ADC、8位DAC(具有1Msps速率)以及2个超低功耗比较器
- 4个通用定时器和SCT/PWM
- 8通道电容式触控
- 支持XIP的四路SPI
- 温度传感器
- 设计简单:
- 集成32MHz和32.768kHz晶体
- 集成2.4GHz天线
- 完全通过FCC/CE/IC/MIC认证
应用
- 健康和医疗设备
- 体育和健身追踪器
- 楼宇和家居自动化
- 零售和广告信标
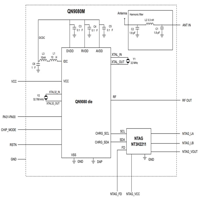
QN9080-001-M17框图
发布日期: 2019-04-05
| 更新日期: 2023-07-06
