特性
- 支持12 V电源系统,具有高达250 W汽车BLDC/PMSM电机控制系统
- 支持BLDC/PMSM无传感器FOC控制(双分流和单分流)
- 稳健快速启动,满足从停机到额定速度的严格启动条件<150ms
- 跨越当前I/F启动和初始位置检测算法,确保启动成功
- 该板通过电源电压变化、负载变化、速度命令跳跃和温升等测试
- 通过强大的栅极驱动单元 (GDU) 支持多种诊断和保护策略
- 支持过压 (OV)、欠压 (UV)、短路和过流 (OC)、过热 (OT) 和失速检测
- 通过用户定义来支持来自PWM/FreeMASTER/LIN的速度命令
应用
- 汽车燃油泵
- BLDC/PMSM
技术资源
板布局
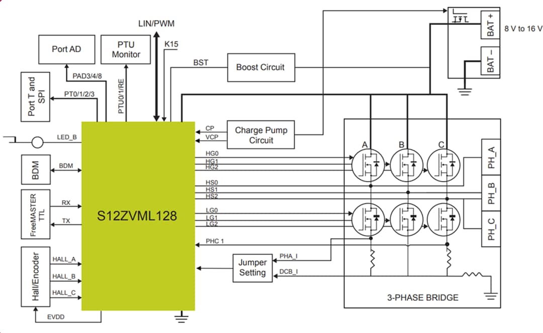
框图
软件框图
发布日期: 2020-06-11
| 更新日期: 2024-10-25
