NXP Semiconductors TEA2016AAT数字架构基于高速可配置硬件状态机,可确保非常可靠的实时性能。在电源开发期间,通过向器件加载新设置来调整LLC和PFC控制器的许多操作和保护设置,满足特定应用的要求。这些配置可以被完全保护,防止未经授权的对专有TEA2016AAT配置内容的复制。
特性
- 主要
- 在单个小尺寸SO16封装中集成了LLC和PFC控制器的完整功能
- 集成高压启动
- 集成驱动器和高压电平转换器 (LS)
- 由低侧驱动器输出直接供电高侧驱动器
- 准确的升压稳压
- 集成X电容放电,无需额外外部元件
- 电源正常提示功能
- 可以轻松配置多个参数,例如:
- 让所有工作模式下的工作频率均在听域以外
- 突发模式下软启动和软停止,降低可闻噪声
- 工作模式(大功率模式/低功耗模式/突发模式)之间准确的转换电平
- 绿色
- 谷值/零电压切换,最小切换损耗
- 低负载到高负载高效率
- 符合最新节能标准和指令(能源之星、EuP)
- 出色的空载输入功率(TEA2016AAT/TEA1995T组合时< 75mW)
- 保护
- 可独立配置的电平和定时器
- 所有保护功能均可独立设置为锁存、安全重启或多次尝试重启后锁存
- 电源欠压保护 (UVP)
- 过功率保护 (OPP)
- 内部和外部过热保护 (OTP)
- 电容模式调节 (CMR)
- 精确过压保护 (OVP)
- 过流保护 (OCP)
- 浪涌电流保护 (ICP)
- 上电/掉电保护
- 禁用输入
应用
- 台式机和一体机
- LCD电视
- 笔记本电脑适配器
- 打印机
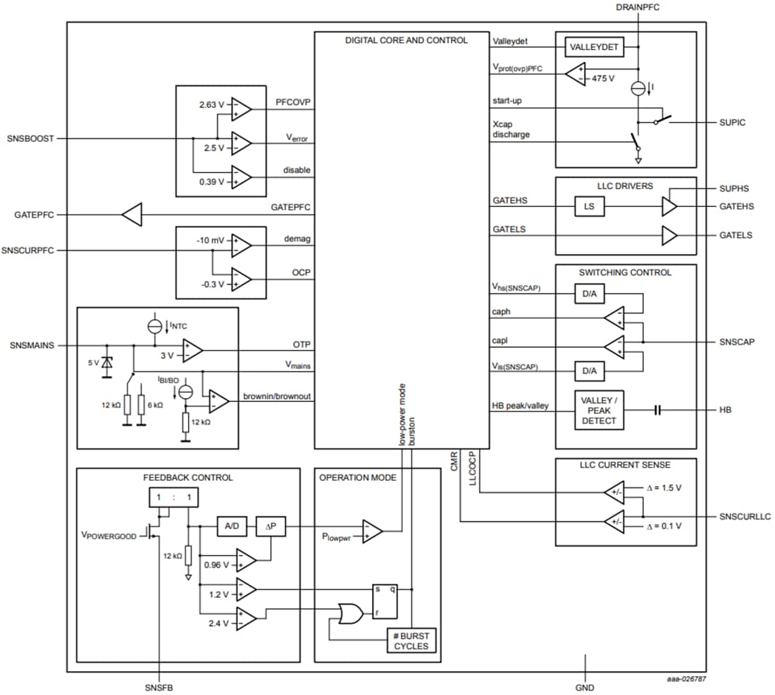
框图
发布日期: 2023-01-09
| 更新日期: 2023-09-26
