为了实现高功率因数和低总谐波失真 (THD),采用输入电流整形。陷波滤波器通过抑制调节环路中的主电源频率元件,同时保持较低的THD来实现更快的瞬态响应。为了实现高效率的低负载运行,该器件包括切相和突发模式运行。为了满足能源之星、美国能源部、欧盟环保设计指令、欧盟行为准则和其他准则的效率和待机功耗规定,降低了突发模式下IC的功耗。
TEA2376xT包含多种保护功能,如内部和外部过热保护 (OTP)、过流保护 (OCP)、双过压保护 (OVP)、浪涌电流保护 (ICP)、引脚开路、引脚短路保护和相位故障保护。这些保护功能可通过可编程参数独立配置。NXP Semiconductors TEA2376xT可配置交错PFC控制器可实现易于设计、高效、可靠的交错PFC,功率级别通常高达1000W。
特性
- 交错PFC控制器,采用SO10 (TEA2376AT) 或SO14 (TEA2376BT和TEA2376DT) 塑料封装,主体宽度为3.9mm
- 可编程切相和突发模式运行
- 双输出过压保护
- 浪涌电流保护
- 高功率因数 (PF) 和低总谐波失真 (THD),即使在高输入电压下也是如此
- 使用用户友好型图形用户界面 (GUI),在评估过程中可以配置许多参数
- 在整个输入电压范围内具有良好的相位控制
- 低听觉噪声
- 谷值/零电压切换,最小切换损耗
- 通过切相和突发模式运行实现从高负载到中等负载和低负载的高效率
- 多次尝试重启后,可将保护独立设置为锁存、安全重启或锁存
- 双输出过压保护 (OVP)
- 电源欠压保护 (UVP) 和过压保护 (OVP)
- 内部和外部过热保护 (OTP)
- 过流保护 (OCP)
- 浪涌电流保护 (ICP)
- 上电/掉电保护
- 开路和短路引脚保护
- 线圈短路保护
- 输出二极管短路保护
- 开路控制环路保护
- 相位故障保护
- TEA2376DT的其他特性
- 电源良好输出和突发模式输入引脚
- 借助类似于示波器读数的用户友好型GUI,实时监控(内部)IC状态值
- 工作时I2C通信
应用
- HD和U-HD电视
- 服务器
- 台式机和一体机
- 游戏控制台
- 大功率适配器
- 5 G电源
- 家庭音响
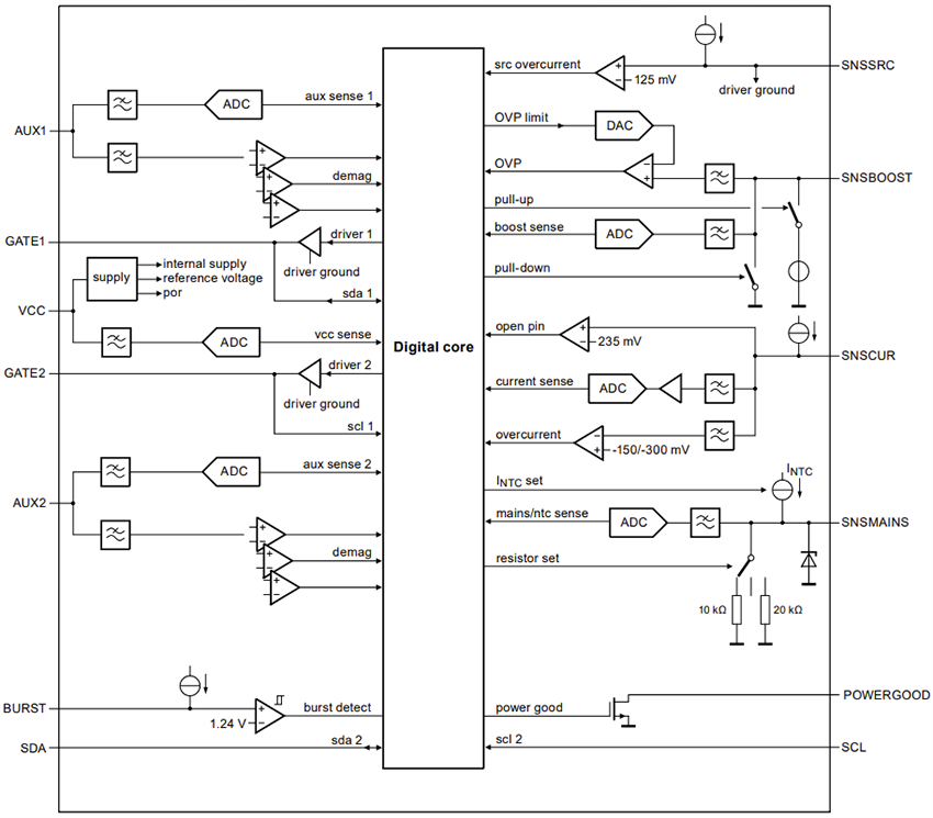
TEA2376AT/TEA2376BT 方框图
TEA2376DT 方框图
发布日期: 2024-04-02
| 更新日期: 2024-04-09
