Omron Industrial Automation J7MC手动电机启动器
Omron Industrial Automation J7MC手动电机启动器具有高跳闸能力(最大100kA/440VAC ),在发生短路事故时关闭大电流。该电机保护断路器 (MPCB) 系统采用摇臂和旋转开关防止过载、相位故障和短路。搭配J7KC磁性接触器,J7MC非常适合用于控制交流3级、2.2kW(200VAC至240VAC)或5.5kW(380VAC 至440AC)电机。采用Push-In Plus接线技术,可节省布线和维护时间。Omron J7MC手动电机启动器标配表盘盖,防止意外设置变化。该器件还可通过挂锁锁定,确保启动安全。这些紧凑型模块具有45 mm统一宽度,有助于减小控制面板的尺寸。特性
- MPCB系统可提供过载、相位故障和短路保护
- 45mm宽紧凑型可安装模块
- 采用Push-In Plus接线技术,可节省布线和维护时间
- 搭配J7KC磁性接触器,J7MC非常适合用于控制交流3级、2.2kW(200V AC至240VAC)或5.5kW(380VAC 至440AC)电机
- 标配表盘盖,防止意外设置变化
- 通过挂锁锁定,确保启动安全。
- 经过认证,符合主要安全标准
应用
- PCB组装生产线
- 电机断路器
规范
- 高断路能力,最大100kA/440VAC
- 跳闸等级
- 4分钟内跳闸10次(150%,例如热启动)
- 4秒至10秒跳闸(720%,例如冷启动)
- 额定电流:0.16 A至20 A
- 三极
- 额定绝缘电压:690VAC
- 额定脉冲介电强度:6kV
- 额定频率:50Hz至60Hz
- IP20保护
- 工作温度范围:-20°C至+60°C
- 95% RH(无冷凝或结冰)
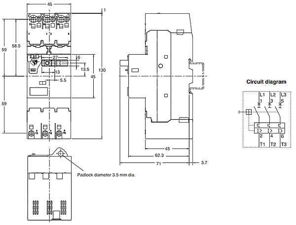
J7MC-3R尺寸 (mm)
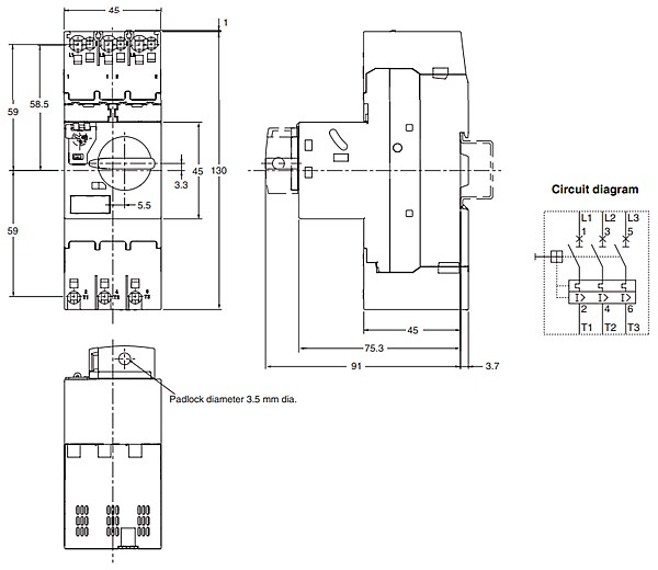
J7MC-3P尺寸 (mm)
发布日期: 2020-03-27
| 更新日期: 2024-03-27
