Omron Industrial Automation S8VK-WA三相200V电源

Omron Automation S8VK-WA三相200V电源具有24VDC输出、170VAC至264VAC输入以及240W至960W额定功率。该器件具有三相输入范围,因此无需负载平衡且没有缺相风险。S8VK-WA支持使用三个LED和两个MOSFET继电器输出来快速识别错误位置。该电源设计用于处理高达额定电流150%的高浪涌电流(持续10秒)。Omron S8VK-WA开关模式电源符合EN/IEC 61558-2-16标准,环境工作温度范围-40°C至+70°C。

规范

  • 输出电压:24V
  • 输入电压范围:170VAC至264VAC
  • 额定功率:240W至960W 
  • 效率高达95%
  • 过压和过载保护
  • 额定频率:50/60Hz(47Hz至63Hz)
  • 漏电流:1mA(最大值)
  • 符合EN/IEC 61558-2-16标准
  • 环境温度范围:-40°C至+70°C
  • 2个MOSFET继电器输出(1个用于直流输出,另1个用于过载保护)

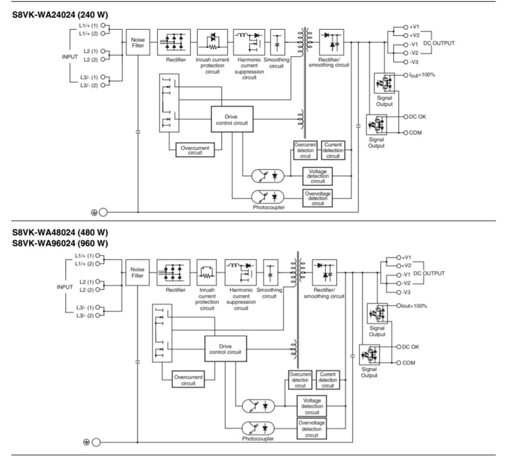
框图

框图 - Omron Industrial Automation S8VK-WA三相200V电源

视频

发布日期: 2019-04-16 | 更新日期: 2025-06-04