onsemi 连续导通模式功率因数校正控制器 FAN9673
Fairchild Semiconductor FAN9673 是一个交错式三通道连续导通模式 (CCM) 功率因数校正 (PFC) 控制器 IC,用于 PFC 预调节器。FAN9673 包含实现前沿、平均电流、“升压”型功率因数校正的电路,因此能够用于设计完全符合 IEC1000-3-2 标准的电源。交错式运行大幅减少输入和输出纹波电流,并且导通 EMI 滤波变得更加容易、更加经济高效。创新的通道管理功能允许次级通道的功率电平根据 CM 引脚的设置电压进行平稳地加载和卸载,从而提高 PFC 转换器的负载瞬态响应。FAN9673 还集成各种保护功能,包括:峰值限流、输入电压掉电保护和 TriFault Detect™功能。An innovative channel management function allows the power level of the slave channels to be loaded and unloaded smoothly according to the setting voltage on the CM pin, improving the PFC converter's load transient response. The onsemi FAN9673 also incorporates a variety of protection functions, including: peak current limiting, input voltage brown out protection, and TriFault Detect™ function.
特性
- Continuous Conduction Mode (CCM) control
- Three-channel PFC control (maximum)
- Average current-mode control
- PFC slave channel management function
- 18kHz to 40kHz or 55kHz to 75kHz programmable operating frequency range
- Programmable PFC output voltage
- Two current limit functions
- TriFault Detect protects against feedback loop failure
- Sag protection
- Programmable soft-start
- Under-voltage lockout (UVLO)
- Differential current sensing
- Available in 32-pin LQFP package
应用
- High power AC - DC power supply
- DC motor power supply
- White goods
- Server and telecom power supply
- UPS
- Industrial welding and power supply
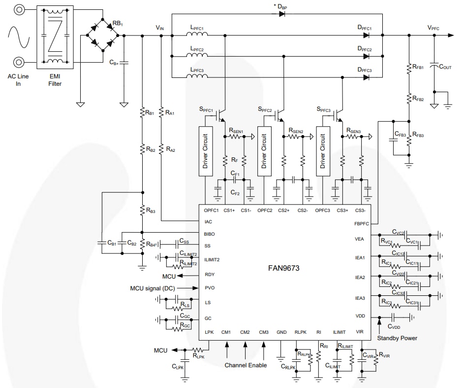
Typical Application
发布日期: 2014-04-03
| 更新日期: 2022-03-11
