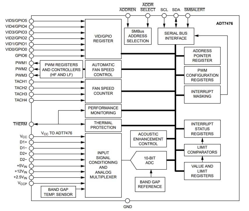
自动风扇转速控制环路可以优化给定温度下风扇的转速。通过THERM输入,可以监视系统的热解决方案是否有效。ADT7476还可使用双向THERM引脚作为输出,为系统提供关键的热保护功能,防止系统或元件过热。
特性
- 监控多达5个电压
- 控制和监视多达4个风扇
- QSOP-24封装
- 高频和低频风扇驱动信号
- 1个片上和2个远程温度传感器
- 扩展温度测量范围:最高191°C
- 自动风扇转速控制模式根据测量的温度控制系统冷却
- 增强型声学模式大大降低用户对风扇转速变换的感知
- 通过THERM输出实现热保护功能
- 监视Intel® Pentium® 4处理器的性能影响
- 通过THERM输入组成热控制电路
- 三线和四线风扇转速测量
- 限制对所有监视值的比较
- 符合SMBus 2.0电气规范
- 无铅、无卤,符合RoHS指令
ADT7476框图
尺寸
发布日期: 2019-11-08
| 更新日期: 2024-01-31

