FOD848x模块确保可在-40°C至+100°C的扩展工业温度范围和4.5V至30V的VDD范围内工作。该器件具有低IF和宽VDD范围,可与TTL、LSTTL和CMOS逻辑兼容。因此,该器件与其他高速光耦合器相比,功耗更低。
特性
- 最大阈值输入电流IFLH
- FOD8480 – 5.5mA
- FOD8482 – 3.0mA
- FOD8480T和FOD8482T - 8mm爬电距离和电气间隙,0.4mm绝缘距离,以实现可靠的高电压绝缘性
- 通过共模瞬态抗扰度 (CMTI) 表现的高抗噪性能
- CMTI:20kV/µs(最小值)
- 宽工作电压范围:4.5V至30V
- 确保可在-40°C至+100°C的扩展工业温度范围内工作
- 安全和法规认证
- UL1577,5,000VACRMS,持续1分钟
- DIN-EN/IEC60747-5-5,1,140V峰值工作隔离电压
应用
- 隔离智能功率模块
- 隔离工业通信接口
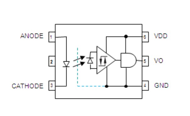
引脚连接
发布日期: 2019-11-07
| 更新日期: 2025-05-08

