onsemi NCP10970双输出HV降压开关
安森美 (onsemi) NCP10970双输出HV降压开关是一套辅助电源解决方案。 NCP10970开关优化用于微控制器单元或基于数字信号处理 (DSP) 的系统。安森美 (onsemi) NCP10970器件包括一个高电压转换开关、一个线性稳压器和专用比较器电路。该开关适合用于构建高达16V输出电压,可由FB引脚上的电阻分压器调节,并具有短路保护功能。专用内部电路可防止连续导通模式 (CCM) 运行,并提高浪涌稳健性、效率和EMI。典型应用包括用于智能照明、白色家电和物联网的电源管理,基于MCU和DSP的照明驱动器/镇流器,以及工业多输出辅助电源解决方案。特性
- 高度集成的多个模块
- 670V输入降压转换开关
- 3.3V/100mA LDO(A1选项)
- 5V/100mA LDO(B1选项)
- 双输出降压
- 通过MCU实现待机模式
- 保护/实用功能
- 故障输入/输出引脚
- 快速响应比较器
- 去磁检测
- 降压和LDO上短路保护 - 内部热关断
- 获得专利的VRAW 生成,用于LDO输入
- 高压启动电流源
- 内置670V和18Ω RDS(on) 横向MOSFET
- 固定频率DCM电流模式控制方案
- 4ms软启动
- 低LDO功耗
- 低空载输入功率
- 系统可靠性高
- 灵活的设计,具有过热保护 (OTP)/过流保护 (OCP) 功能
- 无需CCM即可稳定工作
- 易于通过的安全认证
- 实现良好的待机功率性能
- 16引脚SO封装,爬电距离
- 小尺寸设计
应用
- 智能照明、白色家电和物联网的电源管理
- 基于MCU和DSP的照明驱动器/镇流器
- 照明
- 大型家用电器
- 电源
其他资源
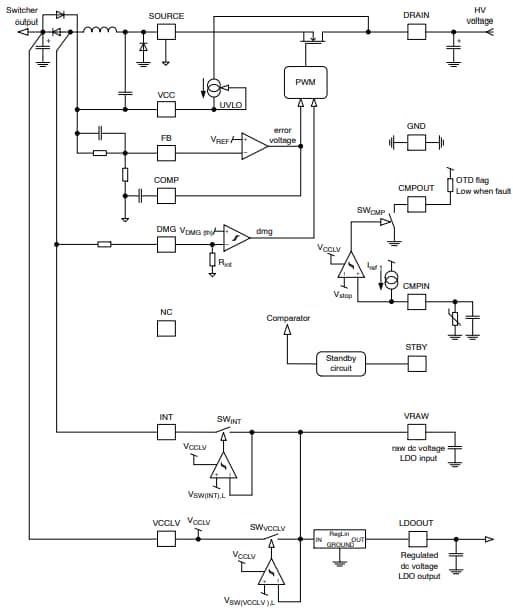
简化框图
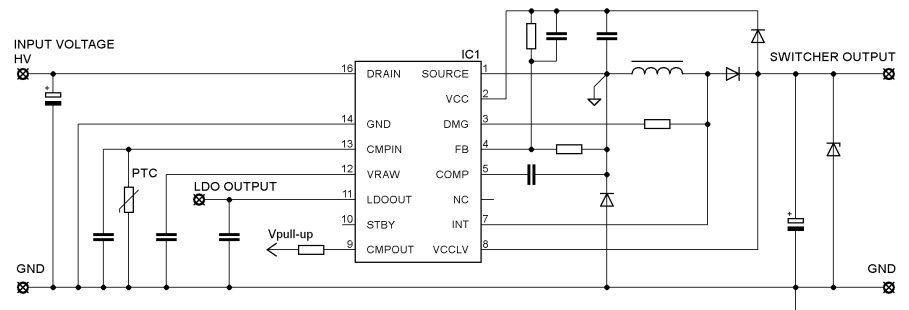
应用电路原理图
发布日期: 2020-09-01
| 更新日期: 2024-05-29
