特性
- 双通道物理层设备
- 属于IVN收发器系列
- ±42V总线电压
- 传输速率范围:1kbps至20kbps
- TxD超时功能
- 综合坡度控制
- 保护
- 热关机
- 欠压检测
- 总线引脚在汽车环境中具有瞬态保护功能
- 与 NCV7329 DFN8封装引脚兼容
- 兼容K线
- 可湿性侧翼DFN-14绿色封装
- 模式
- 正常模式:启用LIN收发器,可以通过总线通信
- 睡眠模式:禁用LIN收发器,将VBB 消耗降至最低
- 待机模式:LIN总线上唤醒事件后进入过渡模式
- 符合ISO 17987-4、LIN2.2a、LIN2.2、LIN2.1、LIN2.0和SAEJ2602标准
- 符合AEC-Q100标准并具有PPAP功能
框图
其他资源
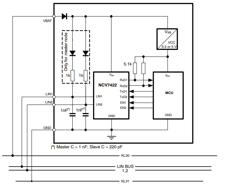
应用电路图
发布日期: 2020-06-08
| 更新日期: 2024-05-23

