特性
- 4路低侧通道
- 600mA低侧驱动器:
- 1.1Ω(典型值)和2.2Ω(最大值) RDS(on)
- 16位SPI控制:
- 帧错误检测(8位)
- 具有菊花链功能
- 并行输入引脚,用于PWM操作
- 无需活动开路检测即可上电(用于LED应用)
- 睡眠和待机模式下低静态电流
- Limp主页功能
- 3.3V和5V兼容数字输入电源范围
- 故障报告:
- 开路负载检测(可选)
- 过载
- 过热
- 上电复位(VDD、VDDA)
- SSOP-24封装(内部融合引线)
- 符合AEC-Q100标准并具有PPAP功能
- 无铅器件
应用
- 汽车车身
- 发动机控制单元
- 继电器驱动器
- LED驱动器
- 步进电机驱动器
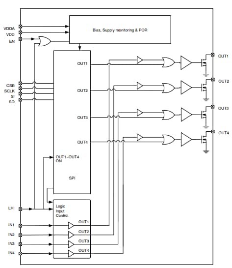
框图
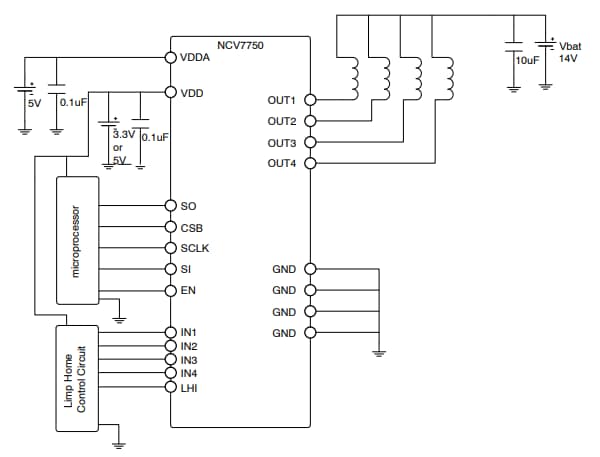
应用示意图
发布日期: 2019-07-21
| 更新日期: 2024-02-13

