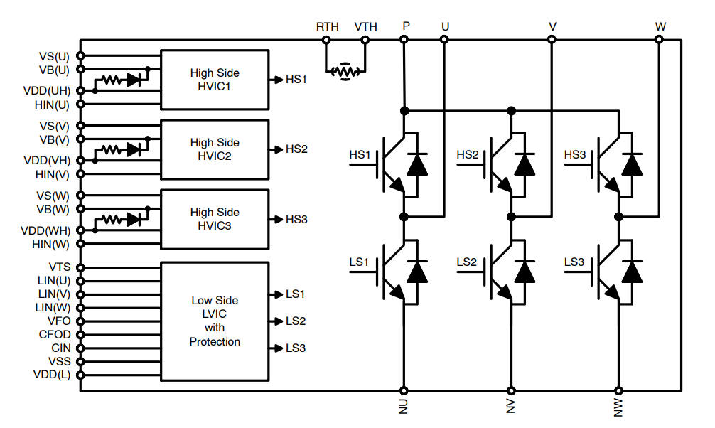
该款完全集成的逆变器功率模块包括一个独立的高侧栅极驱动器、LVIC、六个IGBT和一个温度传感器(VTS或热敏电阻 (T))。六个IGBT采用三相桥式配置,为较低的相脚提供独立发射器连接,从而尽量灵活地选择控制算法。内置的高速HVIC仅要求单电源电压,并将进入的逻辑电平门输入转换为高压、大电流驱动信号,以便能正常驱动模块的内置IGBT。
特性
- 三相650V、30A/50A IGBT模块,带独立驱动器
- 主动逻辑接口
- 内置欠压保护 (UVP)
- 集成式自举二极管和电阻器
- 用于各相单独电流检测的独立低侧IGBT发射器连接
- 温度传感器(VTS或热敏电阻 (T))
- UL:E339285
- 无铅
应用
- 工业驱动器
- 工业用泵
- 工业风扇
- 工业自动化
应用原理图
发布日期: 2019-11-07
| 更新日期: 2025-06-16

