onsemi 三级NPC Q2Pack和Q2BOOST模块
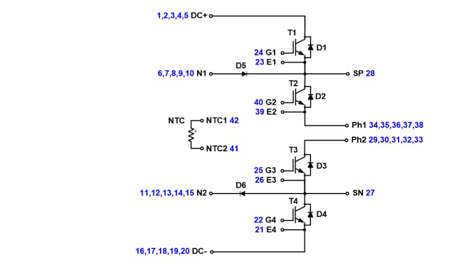
安森美半导体NXH350N100H4Q2F2三级NPC Q2Pack模块是功率集成模块 (PIM),包含一个I-type NPC级。I-type NPC包括用于中性点钳位的100 A、1200 V SiC二极管、用于外部IGBT的350 A、1000 V IGBT,以及用于内部IGBT的400 A、1000 V IGBT。与其他1200V IGBT解决方案相比,安森美半导体NXH350N100H4Q2F2 Q2Pack模块的输出功率更高,并包含一个板载热敏电阻。安森美半导体Q2BOOST模块具有出色的效率和热损耗,可灵活支持不同制造工艺。特性
- 高效沟槽,采用场终止技术
- 低开关损耗降低了系统功耗
- 该模块设计具有高功率密度
- 低电感布局
- 封装高度低
- 无铅、无卤/无溴化阻燃剂 (BFR),符合RoHS指令
应用
- 太阳能逆变器
- 不间断电源系统
原理图
引脚连接
发布日期: 2020-09-25
| 更新日期: 2025-07-24
