特性
- UL认证编号:E209204 (UL1557)
- 针对超过10kHz的开关频率进行了优化
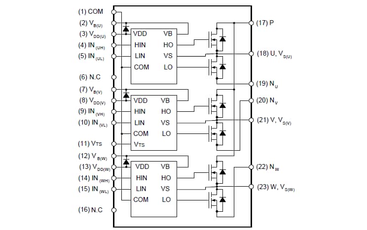
- 500V FRFET MOSFET 3相逆变器,具有栅极驱动器和保护特性
- 将开源引脚与低侧MOSFET分开,以实现三相电流检测
- 高电平有效接口,兼容3.3/5V逻辑,施密特触发器输入
- 内置自举二极管简化了PCB布局
- 经优化实现低电磁干扰
- 内置用于温度监测的高压集成电路温度检测功能,用于栅极驱动和欠压保护的高压集成电路
- 隔离等级:1500Vrms/分钟
- 符合RoHS指令
- 针对SMD封装的湿度灵敏性等级 (MSL) 3
应用
- 三相逆变器驱动器,用于小功率交流电机驱动器
框图
发布日期: 2017-04-20
| 更新日期: 2022-03-11

