特性
- 在IGBT米勒平坦电压下具有大电流输出 (+4/6A)
- 低输出阻抗,用于增强型IGBT驱动
- 传播延迟时间短,具有精确匹配
- 有源米勒钳位,防止杂散栅极导通
- DESAT保护,带可编程延迟
- 针对DESAT的负电压(低至-9V)能力
- IGBT短路期间的软关断
- 短路期间的IGBT栅极钳位
- IGBT栅极有源下拉
- UVLO阈值小,实现偏置灵活性
- 宽偏置电压范围,包括负VEE2
- 输入电源电压:3.3V至5V
- 设计用于符合AEC−Q100标准
- 5000V电流隔离(以满足UL1577要求)
- 1200V工作电压(符合VDE0884-11要求)
- 高瞬态抗扰度
- 高电磁抗扰度
- 无铅、无卤,符合RoHS指令
应用
- 汽车用电源
- HEV/EV传动系统
- OBC
- BSG
- 电动汽车充电器
- PTC加热器
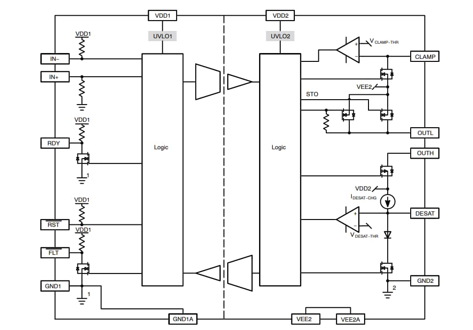
简化框图
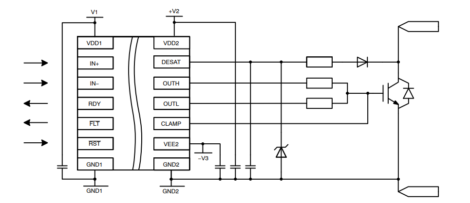
简化应用示意图
Additional Resources
发布日期: 2019-04-30
| 更新日期: 2024-01-30

