特性
- 设计用于针对以下条件实现紧凑而高效的设计:
- 甚高频 (VHF)
- 超高频 (UHF)
- AGC(自动增益控制)
- 无铅、无卤,符合RoHS指令
- 符合AEC-Q101标准,支持生产件批准程序 (PPAP)
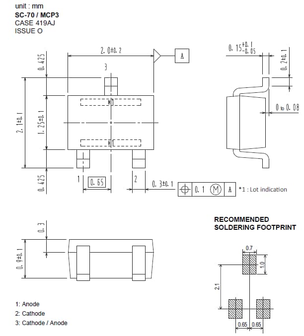
- 与SC-70引脚兼容的MCP3封装
应用
- 汽车应用
- 面向无线电的自动增益控制
规范
- 小介入电容:0.23pF(典型值)
- 低正向串联电阻:2.5Ω(典型值)
- 反向电压:50V
- 正向电流:50mA
- 100mW允许功耗
- 工作结温范围和储存温度范围:-55°C至-125°C
机械图
发布日期: 2019-07-03
| 更新日期: 2024-02-02

