onsemi FUSB251 Type-C™ CC和SBU保护IC
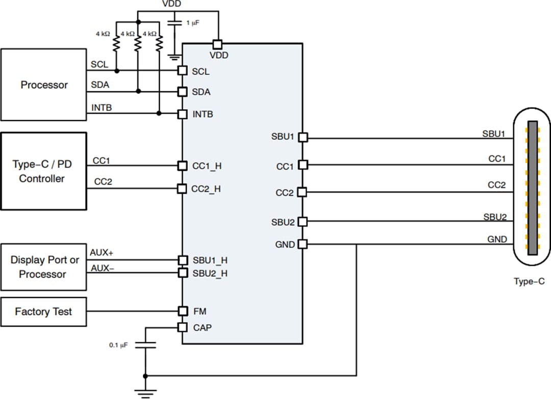
安森美半导体FUSB251 Type-C™ CC和SBU保护IC是一款I2C控制型过压保护开关,设计用于在Type-C接口端口的CC和SBU引脚上正常运行。该器件在CC1/2和SBU1/2上设有SPST开关,这些开关可通过有效的VDD自动使能,因此Type-C PD控制器可以使用过压保护CC路径。FUSB251具有电池电量耗尽模式,CC通过Rd下拉,以便源器件可以提供Vbus用于电池充电。FUSB251还可通过ADC检测在CC和SBU路径上进行湿度检测。如果检测到湿气,就会产生中断,并且会更新相应的寄存器以通知主机。FUSB251具有片上IEC保护功能,可在CC和SBU路径上提供浪涌保护。CC和SBU端口均可耐受20V DC电压。FUSB251采用紧凑的1.49mm x 2.06mm x 0.574mm 15焊球晶圆级芯片尺寸封装 (WLCSP),非常适合用于空间受限的应用。
特性
- 在CC1/2和SBU1/2路径上设有低Ron SPST开关,适用于USB Type-C
- 电池电量耗尽模式提供默认Rd,在CC1/2上显示
- CC和SBU上可耐受24V DC电压
- CC和SBU上具有±35V的浪涌保护能力
- CC和SBU上具有过压保护能力
- I2C接口和中断处理器,用于事件通知
- CC和SBU引脚上具有湿气检测能力
- 片上IEC ESD保护,CAP引脚上设有外部电容器
- CC Ron:0.3Ω(典型值)
- SBU Ron:3Ω(典型值)
- SBU开关上具有50MHz带宽
- 封装类型:WLCSP-15
- 封装尺寸:1.49mm x 2.06mm x 0.574mm
应用
- 智能手机
- 平板电脑、笔记本电脑、超便携移动个人电脑
- 游戏设备和电子书
- 由锂离子电池供电的便携式设备
- 外部USB存储
典型应用电路
框图
发布日期: 2019-04-17
| 更新日期: 2024-01-30
