onsemi HCPL3700M 光耦合器
安森美HCPL3700M光耦合器是一款用于电压/电流阈值检测的器件,内置的砷化铝镓LED与阈值检测输入缓冲集成电路相连。该输入集成电路可实现与高增益达林顿输出的光耦合连接。这款光耦合器配备了一个输入缓冲芯片,能够通过单个电阻器在广泛的输入电压范围内灵活调节阈值电平。输出兼容TTL和CMOS。HCPL3700M光耦合器的独特之处在于其可编程的检测电压以及逻辑电平兼容性。这款光耦合器不含铅,在0°C至70°C温度范围内可确保阈值。HCPL3700M光耦合器适合用于 低电压检测、5V至240V范围内的交流/直流电压检测、继电器触点监控器、电流检测、微处理器接口以及工业控制等多个领域。特性
- 交流或直流输入
- 可编程检测电压
- 逻辑电平兼容性
- 在0 °C至70 °C温度范围内确保阈值
- 该款器件不含铅
- 安全和法规批准:
- UL1577,5000VACRMS 持续1分钟
- DIN EN/IEC60747-5-5
应用
- 低电压检测
- 5V至240V范围内的交流/直流电压检测
- 继电器触点监控器
- 电流检测
- 微处理器接口
- 工业控件
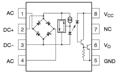
电气连接
框图
View Results ( 5 ) Page
| 物料编号 | 数据表 | 描述 |
|---|---|---|
| HCPL3700SDVM | ![]() |
逻辑输出光电耦合器 AC/DC to Logic Interface Optocoupler |
| HCPL3700SM | ![]() |
逻辑输出光电耦合器 8PW AC/DC INTF SMD |
| HCPL3700SDM | ![]() |
逻辑输出光电耦合器 8PW AC/DC INTF T&R SMD |
| HCPL3700M | ![]() |
逻辑输出光电耦合器 AC/DC HI-SPEED LOGIC INTERFACE |
| HCPL3700VM | ![]() |
逻辑输出光电耦合器 8PW AC/DC INTF DIP |
发布日期: 2024-09-30
| 更新日期: 2024-10-28

