onsemi MT9M114数字图像传感器评估板
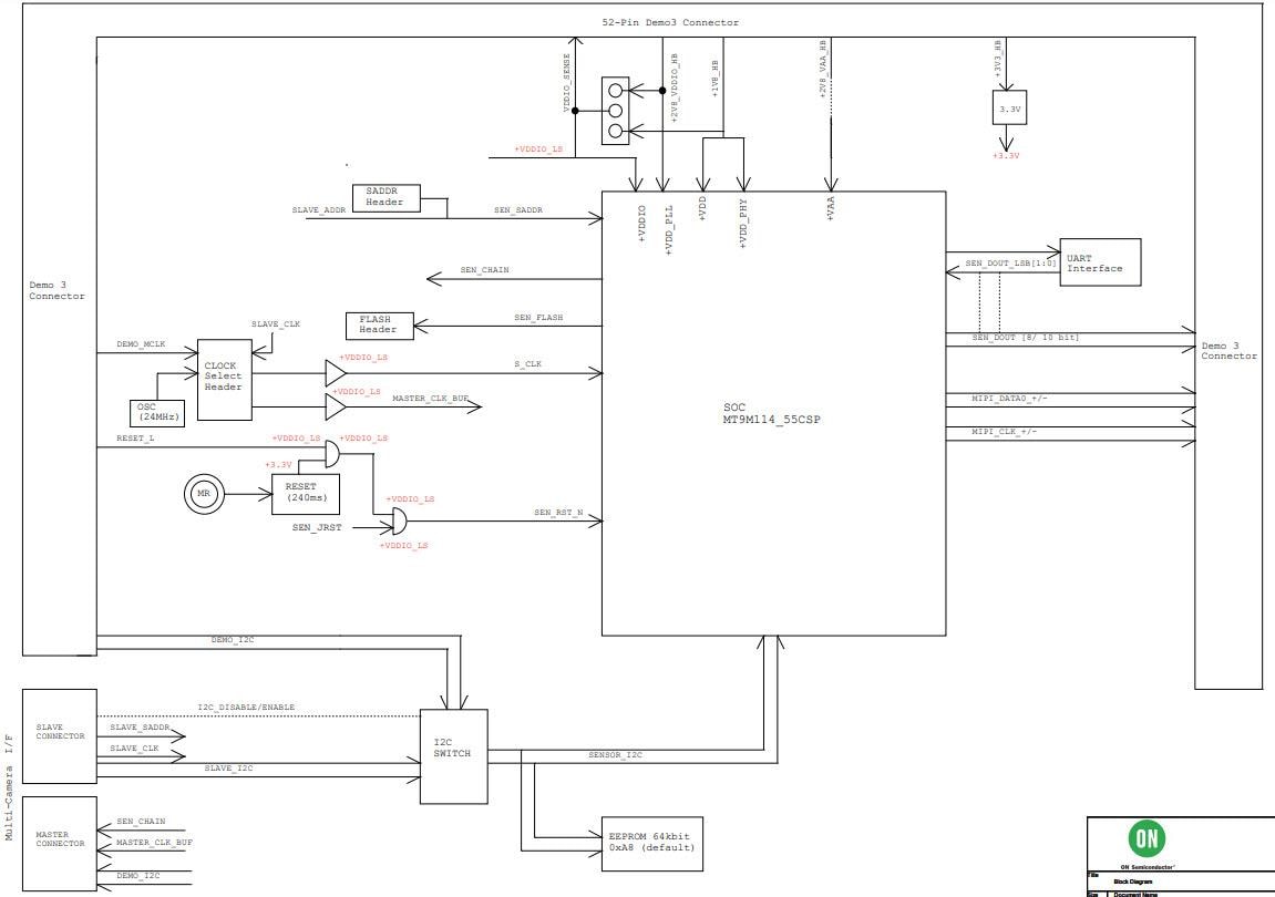
安森美半导体MT9M114EBLSTCZH3-GEVB是用于MT9M114 1/6英寸高清片上系统 (SOC) 数字图像传感器的评估板。1.26Mp MT9M114 CMOS传感器提供1296H x 976V的有源像素阵列,设计用于低光拍照性能。该传感器提供复杂的相机功能,包括自动曝光控制、自动白平衡、黑电平控制、防闪烁和缺陷校正。MT9M114提供异常清晰锐利的数码照片。MT9M114的特性使其成为各种应用的理想选择,包括手机、PC和笔记本电脑摄像头以及游戏系统。MT9M114EBLSTCZH3-GEVB推出板(HB)专门设计用于MT9M114数字图像传感器,支持直接插入Demo 2X系统。评估板具有时钟输入、2线串行接口、并联接口和MIPI接口。可通过板上的测试点和跳线获得这些HB特性。MT9M114数字图像传感器评估板框图
发布日期: 2017-05-15
| 更新日期: 2022-03-11
