onsemi NCD57001FDWR2G隔离式IGBT栅极驱动器
安森美半导体NCD57001FDWR2G隔离式大电流IGBT栅极驱动器是单通道IGBT驱动器,具有内部电流隔离功能,设计用于提高系统效率和可靠性。该栅极驱动器具有互补输入、开漏故障和就绪输出、有源米勒钳位、精确欠压闭锁 (UVLO)、去饱和 (DESAT) 保护以及去饱和 (DESAT) 时软关断等特性。安森美半导体NCD57001FDWR2G栅极驱动器可在输入侧提供5V和3.3V信号,在驱动器侧提供较宽的偏置电压范围,包括负电压能力。该栅极驱动器具有5kVrms(符合UL1577标准)电流隔离和1200Viorm(工作电压)功能。典型应用包括太阳能逆变器、电机控制、不间断电源 (UPS)、工业电源和焊接。特性
- 在IGBT米勒平台电压下具有+4/-6A大电流输出
- 低输出阻抗,用于增强型IGBT驱动
- 传播延迟时间短,具有精确匹配
- 有源米勒钳位,防止杂散栅极导通
- DESAT保护,带可编程延迟
- 针对DESAT的负电压(低至-9 V)能力
- IGBT短路期间的软关断
- 短路期间的IGBT栅极钳位
- IGBT栅极有源下拉
- UVLO阈值小,实现偏置灵活性
- 宽偏置电压范围,包括负VEE2
- 输入电源电压范围:3.3V至5V
- 设计用于符合AEC-Q100标准
- 5000V电流隔离(以满足UL1577要求)
- 1200V工作电压(符合VDE0884-10要求)
- 高瞬态抗扰度
- 高电磁抗扰度
- 无铅、无卤,符合RoHS指令
应用
- 太阳能逆变器
- 电机控制
- UPS
- 工业电源
- 焊接
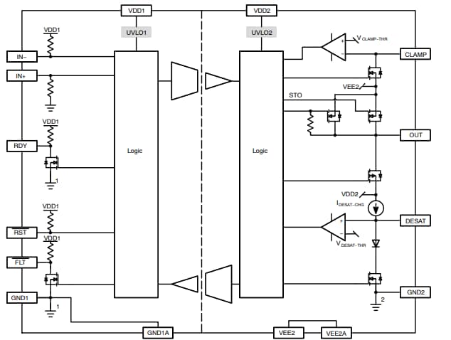
框图
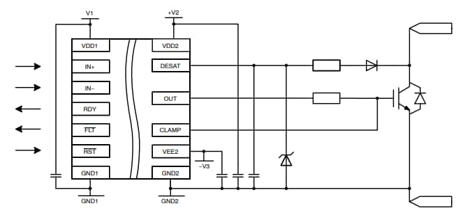
应用电路原理图
发布日期: 2020-06-01
| 更新日期: 2024-06-06
