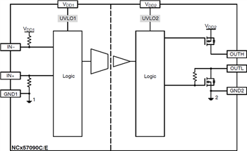
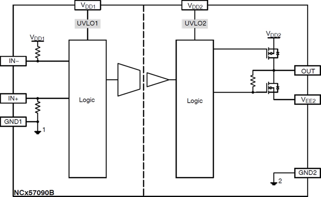
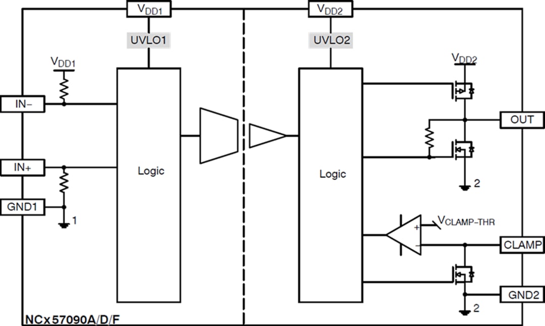
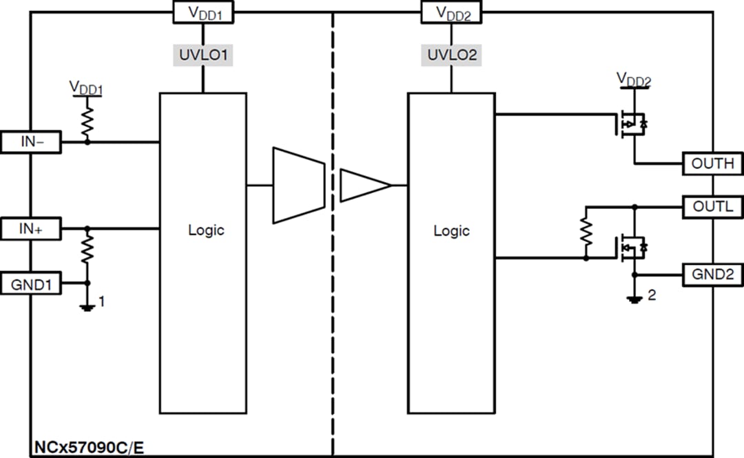
安森美NCD57090和NCV57090 IGBT/MOSFET栅极驱动器采用紧凑型SOIC-8封装。NCV57090符合汽车应用类AEC-Q100标准并具有PPAP功能。
特性
- 符合AEC-Q100标准并具有PPAP功能(仅限NCV57090)
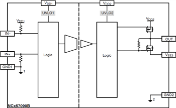
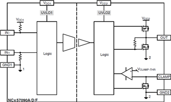
- 高峰值输出电流:+6.5A/-6.5A
- 低钳位电压降无需通过负电源防止杂散栅极导通(版本A、D、F)
- 传播延迟时间短,具有精确匹配
- 短路期间的IGBT/MOSFET栅极钳位
- IGBT/MOSFET栅极有源下拉
- UVLO阈值小,实现偏置灵活性
- 宽偏置电压范围,包括负VEE2(版本B)
- 3V、5.0V和15.0V逻辑输入
- 5kVrms电隔离
- 高瞬态抗扰度
- 高电磁抗扰度
- 最高结温:150°C
- 工作温度范围:-40°C至 +125°C
- SOIC-8封装
- 无铅、无卤/无BFR,符合RoHS指令
应用
- 汽车应用(仅限NCV57090)
- 电机控制
- 不间断电源 (UPS)
- 工业电源
- 太阳能逆变器
引脚分配
封装外形
发布日期: 2021-03-12
| 更新日期: 2024-03-05

