该转换器控制器采用SOIC−16封装,将半桥输出驱动器与一次侧电流检测集成在一起。该
控制器可用于照明应用,只需最少的外部元件。典型应用包括窗口(CP) LED驱动器、可调光LED驱动器、低成本高效LED照明、电动汽车电池充电器和电视机电源。
特性
- 集成高压启动电路,带掉电检测
- 高达750kHz高频运行(20kHz起)
- 电流模式控制方案
- 自动死区时间,具有最大死区时间钳位
- 过流和开路保护
- 短路LED灯串保护
- 空载工作模式下的专有跳跃周期
- 专用软启动序列,避免硬开关
- 无铅设备
规范
- 低侧驱动器电压降:50mV
- 输出源短路电流:0.8A
- 输出灌短路电流:1.5A
- 漏电流:10μA
应用
- 低成本、高效LED照明(50W至300W)
- 窗口 (CP) LED驱动器
- 可调光LED驱动器
- 电动汽车电池充电器
- 电视机电源
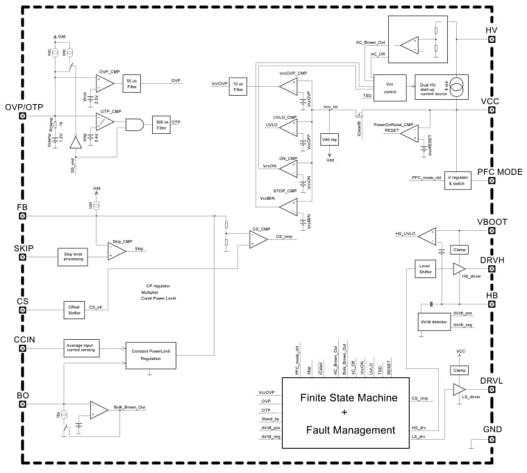
方框图
引脚连接
发布日期: 2023-12-19
| 更新日期: 2024-05-29

