onsemi NCP114 300mA CMOS低压降稳压器
安森美半导体NCP114 300mA CMOS低压差稳压器为噪声敏感应用提供非常稳定而精确的电压,且噪声低。NCP114 低压差稳压器采用动态静态电流调整,在无负载时 IQ 消耗非常低。这优化了电池供电便携式应用的性能。这些器件采用紧凑型UDFN4和TSOP-5封装,非常适合用于空间受限的设计。
特性
- 工作输入电压范围:1.7V至5.5V
- 提供固定电压选项:0.75V - 3.6V
- 极低静态电流:50µA(典型值)
- 待机耗电流:0.1µA(典型值)
- 低压差:300mA时为135mV(典型值)
- 室温下精度为±1%
- 高电源纹波抑制:1kHz时为75dB
- 热关断和限流保护
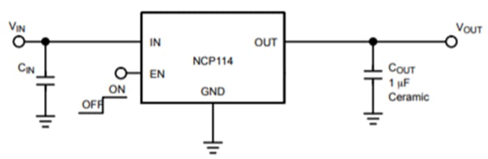
- 在搭配1μF陶瓷输出电容时可稳定工作
- 采用UDFN和TSOP封装
应用
- PDA、手机、GPS、智能手机
- 无线手持设备、无线LAN、Bluetooth®、Zigbee®
评估板
CMOS Low Dropout Regulator, 300mA , 3.3V, Active Discharge Evaluation Board for NCP114.
Related Solutions
Hyperlux SG系列包括世界一流的全局快门器件(VGA、1/8”格式)。
Hyperlux SG系列包括世界级的全局快门器件(1MP、1/4.3”格式)。
Hyperlux SG系列包括世界一流的全局快门器件(2.3MP、1/2.8”格式)。
Hyperlux LP系列包括功能丰富、超低功耗器件(20MP、1/1.8”格式)。
Hyperlux LP系列包括功能丰富、超低功耗器件(8MP、1/2.9”格式)。
Hyperlux LP系列包括功能丰富、超低功耗器件(5MP、1/4.2”格式)。
Hyperlux LH系列包括卓越的低光、eHDR器件(8MP、1/1.8”格式)。
Hyperlux系列包括汽车级、ADAS和AMR器件(3MP、1/3.6”格式)。
该解决方案由先进的视觉系统驱动,可实现实时检测、导航和数据分析。
发布日期: 2016-09-14
| 更新日期: 2026-02-20