安森美NCP1362控制器在高负载时以谷值锁定准谐振峰值电流模式控制模式运行时可提供高效率。当二次侧的功率开始下降时,控制器会自动调节占空比。然后,控制器通过谷值开关检测在较低负载下以固定峰值电流进入脉冲频率调制。该技术通过微小的模拟负载保持输出稳压。前四个谷值锁定可防止谷值跳跃操作,然后在较低负载下进行谷值开关,从而提供高效率。
特性
- 恒压一次侧调节:< ±5%
- 恒流一次侧调节:< ±5%
- 专用引脚上LFF和BO功能:
- BO检测
- 用于改进CC稳压的LFF
- 优化的轻负载效率和待机性能
- 最大频率钳位(无钳位、80kHz、110kHz和140kHz)
- 逐周期峰值电流限制
- 输出电压欠压和过压保护(UVP或OVP)
- 准谐振,谷值开关操作
- 二次二极管或绕组短路保护
- 宽工作VCC 范围(高达28V)
- 低启动电流
- CS和VS/ZCD引脚短路和开路保护
- 内部温度关断
- 内部和固定频率抖动,实现更好的EMI签名
- 双冻结峰值电流,可优化轻负载效率(10%负载)和待机性能(空载)
- 严重故障条件的故障输入,NTC兼容用于OTP
- 无铅设备
应用
- 用于路由器和机顶盒的低功耗交流-直流适配器
- 充电器用低功耗交流-直流适配器
封装类型
交流输入电压典型应用原理图
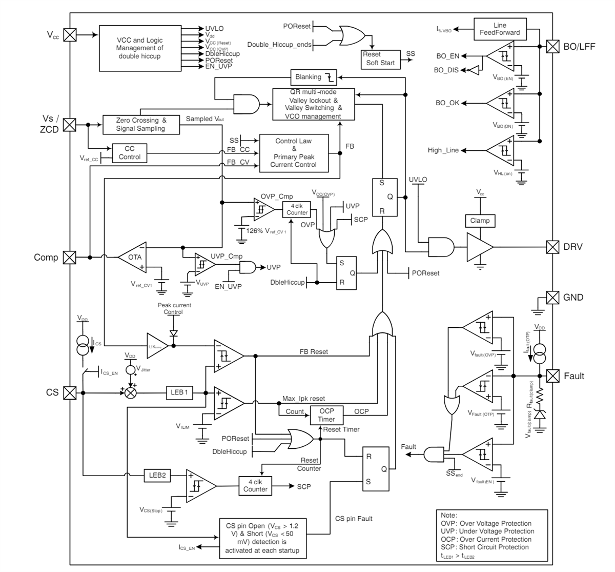
功能框图
发布日期: 2024-05-17
| 更新日期: 2024-06-07

