onsemi NCP1616功率因数校正控制器

安森美半导体NCP1616功率因数校正控制器是一款高压PFC控制器,设计用于采用创新的电流受控频率折返 (CCFF) 方法来驱动升压功率级。在这种模式下,当感应器电流超过可编程值时,NCP1616在临界导通模式 (CrM) 下工作。当电流低于该预设级别时,NCP1616在正弦过零处将频率线性降至最低26 kHz左右。在标称负载和轻负载下,CCFF最大限度地提高效率。即便当开关频率降低时,创新电路也能让功率因数接近统一。集成式高压启动电路,无需使用外部启动组件,正常运行时功耗可以忽略不计。

NCP1616 PFC控制器集成了各种保护功能,包括大容量过压/欠压保护、掉电检测、热关断以及线路过压检测。采用SOIC-9封装, NCP1616 具有坚固紧凑PFC 级所需的功能,需外部组件极少。

特性

  • 高压启动电路,集成掉电检测
  • 输入以强制控制器进入待机模式
  • 跳过接近过零线路模式
  • 快速线路/负载瞬态补偿
  • 谷值切换,提高效率
  • 高驱动能力:-500mA/+800mA
  • 宽VCC范围:9.5V至28.0V
  • 输入电压范围检测
  • 输入X2电容器放电电路
  • 封装类型:SOIC-9
  • 无铅、无卤素
  • 安全特性
    • 软过压保护
    • 线路过压保护
    • 过流保护
    • 开放式引脚保护,用于FB和STDBY/FAULT引脚
    • 内部热关断
    • OVP闩锁输入
    • 旁路/升压二极管短路保护
    • 开路接地引脚保护

应用

  • PC电源
  • 需要功率因数校正的离线设备
  • LED驱动器
  • LCD显示器

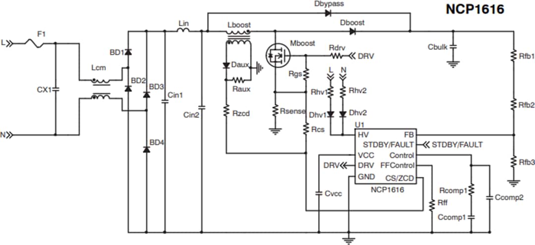
典型应用电路

应用电路图 - onsemi NCP1616功率因数校正控制器

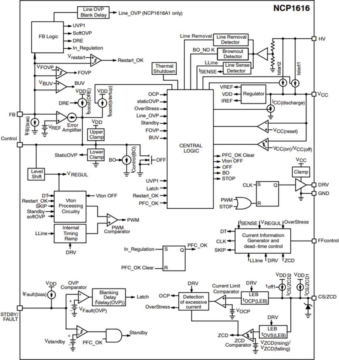
框图

框图 - onsemi NCP1616功率因数校正控制器
发布日期: 2019-03-01 | 更新日期: 2025-03-04