特性
- 混合模式SR关断控制
- 防击穿控制确保可靠的同步整流工作
- 用于漏极和专用源极感测引脚的单独200V额定感测引脚
- 先进的自适应死区时间控制
- SR电流反转检测
- 自适应最小导通时间,以实现抗噪性
- SR导通时间提高速率限制
- 多级关断阈值电压
- 自适应栅极电压控制(10V、6V)
- 绿色模式下的低工作电流 (100A)
- 具有0V/6V栅极输出电压的512个开关周期的软起动
- 非常快速的导通和关断延迟时间 (30ns/30ns)
- 大栅极拉电流和灌电流 (1.5A/4.5A)
- 从6.5V到35V的宽幅工作电源电压范围
- 工作频率范围广(22kHz至500kHz)
- SOIC-8封装
- 这些器件无铅,符合RoHS指令
应用
- 大功率密度适配器
- 大屏幕LED电视和OLED电视电源
- 高效台式机和服务器电源
- 网络和电信电源
- 大功率LED照明
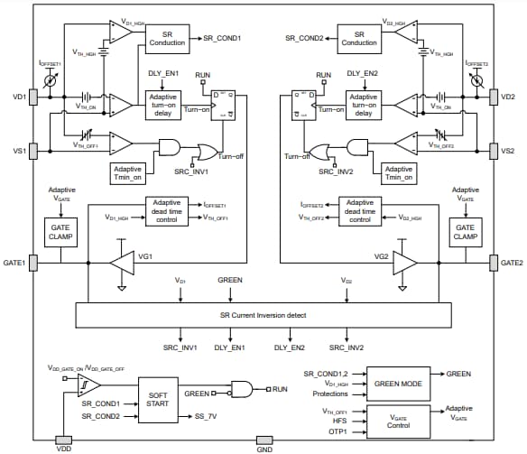
框图
发布日期: 2021-03-23
| 更新日期: 2025-03-04

