onsemi NCP51105单通道2.6A低侧栅极驱动器
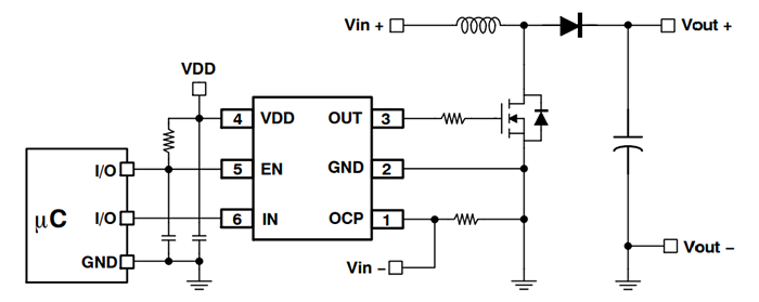
安森美 (onsemi) NCP51105单通道2.6A低侧栅极驱动器是一款大电流驱动器,设计用于驱动功率MOSFET和IGBT。逻辑输入与CMOS和TTL输出兼容。NCP51105具有一个OCP引脚,该引脚通过检测开关电流检测电阻器上的负电压提供过流保护,还有一个EN引脚,可向MCU等外部控制器报告故障状态。EN引脚必须上拉到高于正常运行阈值的电压,并在所有故障条件下下拉以禁用输出。内部VDD 电路通过保持输出低电平来提供欠压锁定功能,直到电源电压恢复到工作范围,并且故障恢复时间可以通过连接到EN引脚的一组时间常数电阻和电容进行编程。特性
- 宽工作电压范围:高达25 V
- 2.6A峰值灌/拉电流
- 传播延迟时间小于50ns
- 具有负电压检测功能的过流保护
- 输入逻辑兼容TTL和CMOS的宽电压范围
- 可编程故障清除时间
- MOSFET和IGBT欠压闭锁
- 环境温度范围:-40 °C至+125 °C
- TSOP-6 封装
- 无铅、无卤、符合RoHS指令
应用
- 开关电源
- 高效MOSFET开关
- 同步整流器电路
- DC-DC转换器
- 电机控制
简化应用
内部方框图
发布日期: 2024-07-31
| 更新日期: 2024-08-13
