onsemi NCP51530 MOSFET栅极驱动器
安森美 (onsemi) NCP51530 MOSFET栅极驱动器是高频、700V、2A高侧和低侧驱动器,适用于AC/DC电源和逆变器。NCP51530可在较高工作频率下提供同类最佳的传播延迟、低静态电流和低开关电流。这些NCP51530驱动器适用于在高频下工作的高效电源。NCP51530驱动器提供NCP51530A/B两个版本。NCP51530A具有60ns的典型传播延迟,而NCP51530B的典型传播延迟为25ns。典型应用包括用于服务器、电信和工业的高密度SMPS;半/全桥和LLC转换器;有源钳位反激/正激转换器;太阳能逆变器以及电动转向系统。特性
- 高达700V电压
- NCP51530A:
- 60ns典型传播延迟
- NCP51530B:
- 25ns典型传播延迟
- 低静态电流和工作电流
- 上升和下降时间:15ns
- 2.2A/1.7A拉/灌电流
- 双通道欠压闭锁
- 3.3V和5V输入逻辑兼容
- 高达50V/ns的dv/dt抗扰度
- 与行业标准的半桥IC引脚对引脚兼容
- 匹配传播延迟(最长7ns)
- 桥接引脚具有高负瞬态抗扰度
- DFN10封装提供更佳的爬电距离和裸露焊盘
应用
- 用于服务器、电信和工业的高密度SMPS
- 半/全桥和LLC转换器
- 有源钳位反激/正激转换器
- 太阳能逆变器和电机控制
- 电动转向系统
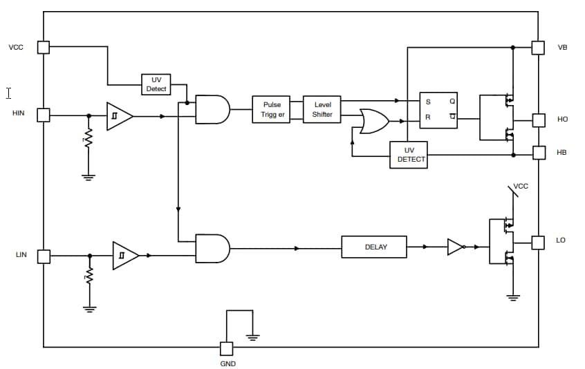
NCP51530栅极驱动器框图
View Results ( 2 ) Page
| 物料编号 | 数据表 | 描述 | 输出电流 | 输出端数量 | 工作电源电流 |
|---|---|---|---|---|---|
| NCP51530ADR2G | ![]() |
栅极驱动器 700V HALF BRIDGE DRIVER | 3.5 A | 2 Output | 2 mA |
| NCP51530BDR2G | ![]() |
栅极驱动器 700V HALF BRIDGE DRIVER | 3.5 A | 2 Output | 2 mA |
发布日期: 2018-07-03
| 更新日期: 2025-03-04

