onsemi NCP 81239/A USB PD控制器
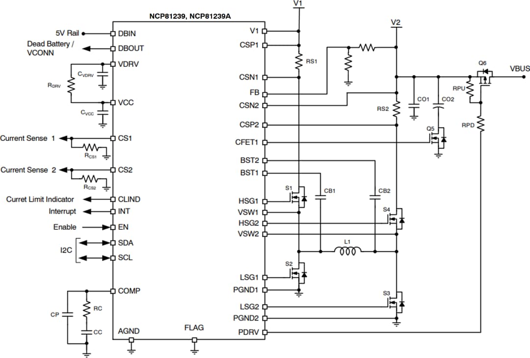
安森美半导体NCP 81239/A USB PD控制器是一款同步降压-升压控制器,经优化更适合通过标准和C型USB电缆将电池或适配器电压转换为USB PD(供电)所需的电源轨。NCP81239与USB PD或C型接口控制器配合使用时,完全符合USB电源输送规范。NCP81239设计用于需要动态控制压摆率受限输出电压的应用,即要求输出电压高于或低于输入电压。NCP 81239驱动4个NMOSFET开关,允许其降压或升压,并支持消费者和供应商之间的角色互换功能。该器件的工作电源电压和负载范围为4.5V至28V,设计用于将电池电压或适配器电压转换为电源轨电压。该款4开关降压-升压控制器设有一个I2C接口。NCP 81239/A USB PD控制器采用紧凑型四方扁平无引线 (QFN) 封装,非常适合用于空间受限的应用。
特性
- 宽输入电压 (VI) 范围:4.5V - 28V
- 动态编程频率:150kHz到1.2MHz
- I2C接口
- 实时电源良好指示
- 受控压摆率电压转换
- 反馈引脚,带内部编程参考
- 支持USBPD、QC2.0和QC3.0配置文件
- 2个独立的电流感测输入
- 过温保护
- 自适应非重叠栅极驱动器
- 滤波电容开关控制
- 过压和过流保护
- 电池电量耗尽支持
- 最高结温 (TJ):150°C
- 工作环境温度范围 (TA):-40°C至100°C
- 封装类型:QFN-32
- 封装尺寸:5mm x 5mm
- 无铅
应用
- 笔记本电脑、平板电脑、台式电脑
- 智能手机
- 充电宝
- 扩展坞
- 显示器、电视机和机顶盒
- 消费电子产品
- 车载充电器
- 扩展坞
框图
典型应用电路
封装外形
发布日期: 2017-03-28
| 更新日期: 2022-03-11
