特性
- 输入电压范围:4.5 V至21 V
- 启动预充电负载,同时避免错误OVP
- 数字软启动斜坡
- 可调式Vboot
- 高阻抗差分输出电压放大器
- 支持双VID表,以兼容IMVP9.2
- 支持大电流扩展
- 动态基准注入
- 可编程输出电压转换率
- 动态 VID 前馈
- 每个相位差分电流检测放大器
- 可编程自适应电压定位(AVP)
- 开关频率范围可调
- 数字稳定开关频率
- 超声波操作
- 支持声学降噪功能
- 支持VCCIN_AUX IMON输入
- PSYS输入监控器
- 符合英特尔IMVP9.2规格
- 电流模式双边缘调制,对瞬态负载作出快速初始响应
- QFN52封装,6 mm x 6 mm
- 湿度灵敏度(MSL)为1级
- 无铅,符合RoHS指令
应用
- 台式电脑
- 掌上电脑
- 超极本计算机
规范
- 4.75V至5.25V VCC 范围
- 4.5V至21V VIN 电源范围
- 输出范围:0.1 V至3 V
- ESD 能力
- 200 V人体模型
- 750V带电设备型号
- 1.5ms最小相位检测计时器
- 温度
- -40°C至+125°C工作结点范围
- -40°C至+100°C工作环境范围
- +260°C焊接
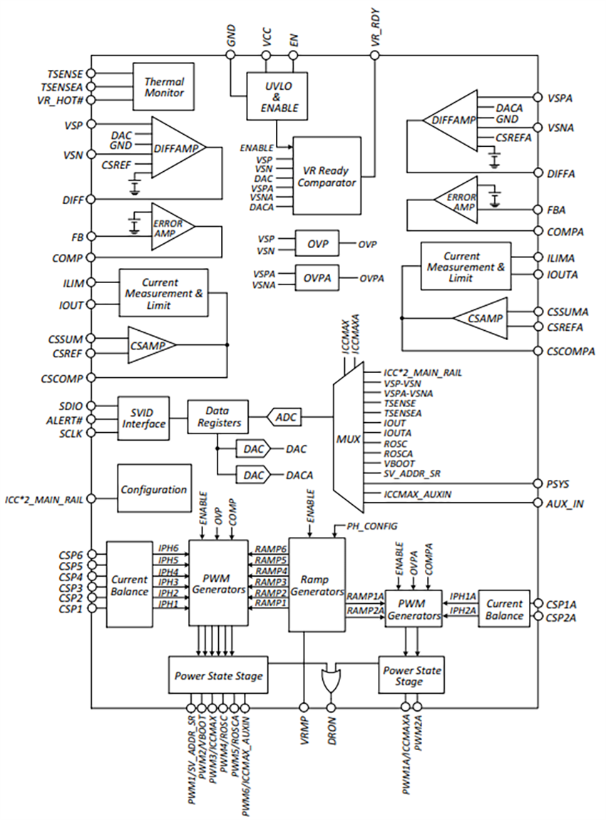
内部方框图
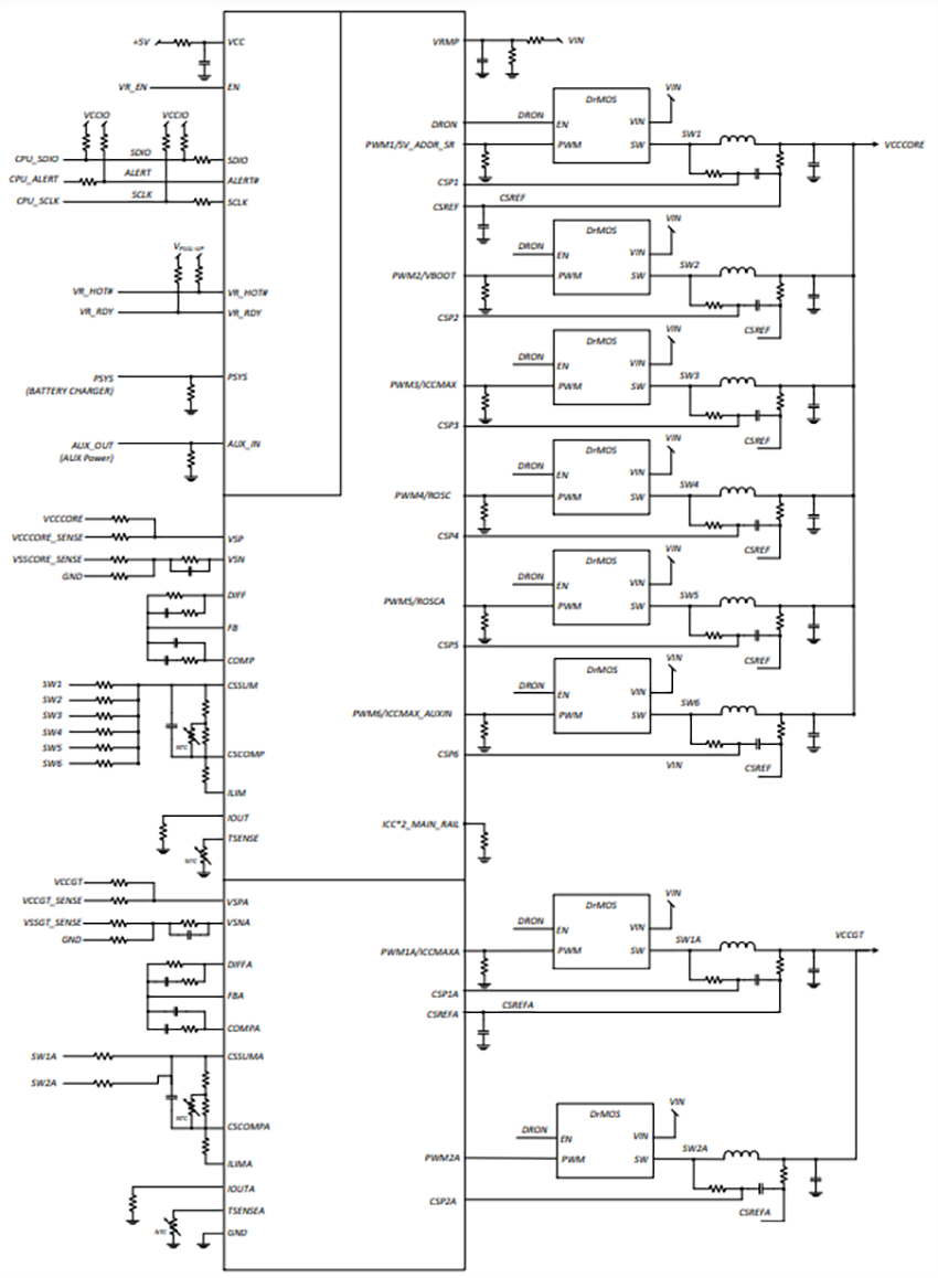
典型应用电路
发布日期: 2025-02-26
| 更新日期: 2025-03-05

